Laser Diode(LD)

Product and Technology Ushio has launched longer-life, 405 nm, 600 mW electrostatic-resistant laser diodes

2022.10.10

HL40173MG, HL40175MG laser diodes offer increased voltage protection for biomedical, measurement, and 3D printing applications

Ushio has launched its new 405 nm, 600 mW (CW) laser diodes, HL40173MG and HL40175MG in September 2022, which have a lifetime* approximately twice that of conventional products.
Light source demand for mask-less (direct imaging) exposure systems, which expose high-definition circuit patterns on substrates, has grown significantly alongside consumer demand for smaller and higher performance smartphones.
There is also increasing demand for laser diodes in the 405 nm band, which are commonly used as light sources in biomedical, measurement, and 3D printing applications, which require further improvements in reliability and longer service life.
 

405 nm laser diode compatibility preserved while Zener diode adds improved versatility

In order to meet these market needs, Ushio has released HL40173MG and HL40175MG. The newly released 405 nm laser diodes maintain PIN layout compatibility with the conventional products (HL40113MG and HL40115MG) while achieving approximately twice the lifetime of the conventional products.
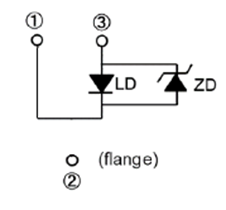
In addition, HL40173MG and HL40175MG both feature a Zener diode as a safeguard against electrostatic discharge (ESD). The inclusion of the Zener means the 600 mW laser diodes gain a built-in resistance to ESD, over-voltage, and reverse voltage, thereby making the products easier for customers to handle. 
Due to the marked improvements over previously released 405 nm, 600 mW laser diodes, Ushio actively encourages current 405 nm laser clients to consider switching to the HL40173MG and HL40175MG.
* Based on our Mean Time to Failure (MTTF) criteria

■Features
 Optical output power  600 mW (CW)
 Lasing wavelength  400~410 nm
 Operating temperature  0~+30ºC
 Beam divergence  Parallel 13°      Perpendicular 42°
 Transverse mode   Multiple transverse mode
 Oscillation mode  TE
 Package  5.6mm CAN package
 Other features  Zener diode installed

■Applications
  • ・Direct Imaging 
    ・Biomedical
  • ・3D printing
  • ・Measurement

■Outline Drawing and PIN layout
  • ・5.6 mm CAN package
  • ・PIN (compatible with conventional products)

    HL40173MG HL40175MG

  • ■Typical Characteristic Curve
  • Output Power (CW) vs Forward Current Far field Pattern


     
  • Datasheet
    HL40173
    MG
  • HL40175MG

Contact

If you are interested in receiving more information about Ushio’s laser diodes, please use the following links:
United States
Contact Form
Europe
Contact Form
Asia
Contact Form