レーザーダイオード(LD)

製品・技術 大幅な長寿命化に成功 ツェナーダイオード付405nm帯600mWレーザダイオード販売を開始

2022.10.10

ウシオは、従来品に対し2倍程度の寿命時間を実現した新製品、405nm 600mW (CW)のレーザーダイオード(LD) 「HL40173MG」「HL40175MG」の販売を2022年9月より開始しました。
 
スマートフォンの小型化や高性能化のニーズを受け、基板の高精細回路パターンを露光するマスクレス(直描)露光装置用光源需要が大きく伸長しています。その光源に使用される405nm帯LDについては、バイオメディカルや計測機器、3Dプリンタ用途への採用需要の増加もあり、更なる信頼性の向上と長寿命化が求められてきています。
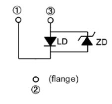
この市場ニーズに応えるため、ウシオは従来製品(HL40113MG/HL40115MG)とのPIN配置の互換性を維持しつつ、従来品に対し2倍程度の寿命時間を実現した新製品HL40173MG/HL40175MGをリリースしました。また、LD保護素子(ツェナーダイオード)を搭載することで、静電気耐性の向上を図り、お客様がより扱いやすい製品としました。
初めてお使いになるお客様は元より、既に従来品をご使用いただいているお客様もぜひご検討ください。

 

■製品仕様
HL40175MG
 光出力(CW)  600mW(CW) (絶対最大定格出力700mW)
 波長  400~410nm
 動作温度  0~+30ºC
 ビーム拡がり角  水平 13°/ 垂直 42°
 横モード  横マルチモード
 発振モード  TEモード
 その他  LD保護素子(ツェナーダイオード)搭載
   モニタPD素子搭載/非搭載選択可能

■アプリケーション
  • ・ダイレクトイメージング露光装置用光源
    ・バイオメディカル
  • ・計測機器
  • ・3Dプリンター

■パッケージ
  • ・ウシオ標準パッケージ MG型(TO-56)
  • ・PIN配置(従来製品と互換性あり)

    製品画像 HL40173MG HL40175MG

  • ■特性曲線
     
  • HL40175MGデータシートはこちら
  • 製品・技術に関するお問い合わせ先

    ウシオ電機株式会社 SSLS GBU 営業部 第一課
    TEL. 03-5657-1018 FAX. 03-5657-1030
    ホームページからのお問い合わせは こちらからお願いします。

    メディアに関するお問い合わせ先

    ウシオ電機株式会社 コーポレートコミュニケーション部 広報課
    TEL. 03-5657-1017 FAX. 03-5657-1020
    ホームページからのお問い合わせは こちらからお願いします。