光技術情報誌「ライトエッジ」No.13
ウシオ高精度多目的標準灯具「OPTICAL MODULEX」
(1998年7月)
ショートアークランプ専用の新しいUI灯具
「OPTICAL MODULEX」、商品化の意図
(株)ウシオスペックス
吉田 祐光
灯具の設計において、ショートアークランプは発光部が極めて小さいため、ランプ自体の発光を集光、拡散、平行と、各々の目的に応じた配光制御が比較的容易に行える。
今回、新しく商品化したUI灯具「OPTICAL MODULEX」は、ランプの後部配光をミラーにより補足し、前方配光をレンズにて一点に集光させる一般的な構造であり、灯具としての光学系は特に変わった点はい。従ってここでの説明は、技術的見地からの開発問題ではなく、既知の技術をどの様に商品化したかを説明する。
1,商品化の意図
1台の灯具で集光、拡散、平行のすべてを具現できれば、ユーザサイドから見れば大変便利である。しかし、メーカサイドから見れば、仕様が複雑となり、受注納期が長くなり、かつ高価になる。従ってメーカとしては、需要が多い平行光の仕様で販売せざるを得なくなる。結果として、平行光以外の仕様要求があった場合、特注品として対応することになる。一般に、特注品は価格が高く、納期も長期化する。
メーカとしては止むを得ないことであるが、ランプが標準化(受注から納品に至る流通システムまで含めて)されているにもかかわらず、灯具の方が一種類しかなく、他はすべて特注品対応となっているのが実情である。はなはだしい場合は受注を断るなど、時としてメーカの一方的事情を市場に押しつけるケースさえある。
この様な状況を無くす意図のもとに、ユーザとメーカ双方にメリットのある灯具を商品化することにした。
その特徴は
- ①構造をユニット化することにより多岐にわたるユーザの希望を組立調整段階で実現させられる。(その都度設計をしないため、特注扱いとならず、短納期対応を可能とした)
- ②光の射出は、コリメータレンズ仕様とファイバ仕様が、同一灯具で可能とした。(従来は各々に専用光源装置を必要とした)
- ③パーツの主要部分をアルミ成形品(押出材)にしたため、寸法決定の自由度が増し、光路長の変更に自由に対応できる。(従来品では鋳物系による構造のため、変更は不可能であった)
- ④構造上のレイアウトとしては、レンズによる集光系も楕円ミラーによる集光系も、灯具の高さ寸法を変更するだけで、横幅、奥行共に同寸法で製作が可能のため、灯具のシステム性が向上している。
2,灯具の構成
光学系
(1)光軸合わせの工夫
光学系としては、従来の既知の技術を応用しているので特に新しい点はない。ユーザにとってわずらわしいことは、ランプ交換を行う毎に光軸合わせをしなければならないことである。本来は光軸合わせの不要が望ましい。この灯具の工夫として、ランプの支持方法に特徴がある。(図-1参照)
専用ランプ(アーク中心から電極口金部までの寸法をランプの種類、ワット数に関係なく一定寸法にした)を使用することにより、光軸合わせが非常に簡単になった。ただし、ランプ及び灯具の製作上のバラツキを補正する目的で、簡易な微調整型の芯出桟構を設けた。
◆図-1
(2)コンデンサレンズのスライド方式(バックミラータイプ)
ランプのアーク中心とコンデンサレンズによる集光点(ピンホールマスクが設置されている)を定寸固定とし、コンデンサレンズのみランプに対して移動できる構造とした。
目的はピンホールを通過する光束を可変とすることにより、明るさ(照度)、均一度等を変化させるためである。
空冷方式
ランプの表面温度が過冷却にならずに上・下口金部を冷却しなければならない。そのため、この灯具では、強空冷ファンに若干の工夫がしてある。
ファンの気流を直接ランプにあてた場合、500Wキセノンショートアークランプでは、発光部のガラス表面が 380°C 、口金部が 120°Cとなる。これを図-2の構造にしたことにより、各々650°C、180°Cを得ている。
◆図-2
スタータの内蔵
スタータを灯具内に組み込むと、灯具とランプが固定的な関係になるが、灯具外での高圧結線が不要となる。この灯具では使用者の安全性、便利性を優先さるために、スタータ内蔵とした。
ユーザにとって使いやすく、またメーカにとっては作りやすい観点に立って商品化された新しいUI灯具「OPTICAL MODULEX」について説明したが、この灯具のユニット部は産業用各種光源装置にも使用され、納期の短縮、価格の低下などから、その応用範囲も広がりつつある。今後とも、小型、高性能化への改良を更に追求したいと考えている。
参考資料
■高輝度光源装置[高照度型]
①ランプ交換キャップ
②側板取り外しネジ
③ランプ
④楕円ミラー
⑤平板ミラー
⑥シャッタ
⑦シャッタ用ロータリーソレノイド
⑧ピンホールマスク
⑨コリメータレンズ調整ネジ
⑩コリメータレンズ
⑪空冷ファンモータ
⑫フィルタ枠
■高輝度光源装置
①ランプ交換キャップ
②側板取り外しネジ
③ランプ
④バックミラー
⑤バックミラー調整スリーブ
⑥コンデンサレンズ
⑦シャッタ
⑧シャッタ用ロータリーソレノイド
⑨ピンホールマスク
⑩コリメータレンズ
⑪フィルタ枠
⑫空冷ファンモータ
⑬コリメータレンズ調整ネジ
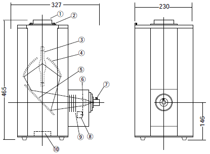
①ランプ交換キャップ
②側板取り外しネジ
③ランプ
④楕円ミラー
⑤平板ミラー
⑥シャッタ
⑦ファイバマウント
⑧シャッタ用ロータリーソレノイド
⑨フィルタ枠
⑩空冷ファンモータ
