光技術情報誌「ライトエッジ」No.15
特集 放電ランプ
(1998年11月)
5. その他の放電ランプ
5.1 外部電極型希ガス蛍光ランプ
外部電極型希ガス蛍光ランプは、ランプ内部に電極を持たず、外部に電極を設けて内部ガスを放電させることから、一般に無電極放電ランプ(Eletrodeless discharge lamp)と呼ばれる。外部電極型希ガス放電ランプにおいては、ランプ外表面に少なくとも1つ以上の電極を設ける場合がほとんどである。図5-1に現在市販されている外部電極型希ガス蛍光ランプの構造を示す1)。ガラス管の外部に管軸に平行に2本の電極を配置し、誘電体であるガラス管内部に蛍光体を塗布し、ちょうど外部電極間の位置にあたる部分の蛍光体を取り除きアパーチャを設け、このアパーチャから光を取り出す構造となっている。封入ガスとしては、純XeまたはXeを主体とする希ガス混合ガスが利用され、蛍光体を発光させる目的での水銀は不要である。
外部電極型希ガス蛍光ランプは、電極に高周波高電圧が印加されると、ランプの誘電体であるガラスに誘電分極でランプ内部に高電圧が発生する。ガラスと接した内部ガスが放電破壊電圧に達すると放電が開始する。ただちにプラズマ中のイオンと電子は各々負極側、陽極側へ移動するためプラズマ中の電圧が急激に下がり短時間(おおよそ数十ns)で放電が終了してしまう。この放電は、直径0.1mm程度の微細放電であるが、電極間の誘電体表面で放電破壊の条件が成立すると多数発生する2)。一連の微細放電が発生した後、高周波点灯の場合、ランプ内部の誘電体表面の電荷は、逆電圧の印加で各電極と誘電体間は電気的に中和される。しかしながら、ランプのガラス内表面の電荷は残留したままであり、逆電圧ではランプのガラス内表面の残留電荷の助けをかりて最初の放電破壊電圧以下で微細放電を発生し、以下この繰り返しとなる。つまり、外部電極の場合、同じ高周波を印加しても外部印加電圧の人為的な制御なく微細放電が多数発生する期間と中和する非放電期間が自動的に現れる。
多数発生する微細放電の一つひとつの放電の電流密度は原理的に低く抑えられると同時に短時間で放電が自動的に終了するため、加速された電子はキセノンの最低励起エネルギーをわずかに超える程度の大きさのエネルギーを多くもつ分布となる。その結果、一つひとつの微細放電は比較的高い効率を実現できる。加えて、Xeガス圧が5kPa以上の高圧の領域では微細放電につづくアフターグロー中で励起キセノン分子の生成に寄与しエキシマー発光による172nmが147nm共鳴線より支配的である3)。以上の理由から外部電極の場合はXeを利用した蛍光ランプは従来からある内部電極に比較して高い効率が得られる。
希ガス蛍光ランプの優れた特長として光の立ち上がり特性があげられる。その理由は、真空紫外放射源であるXeガスを直接放電させ、蛍光体を発光させるためであり、内部電極型と外部電極型に共通した特性である。さらに環境温度の変動に対しても影響を受けにくい点もあげられる。図5-2は、-10°Cから60°Cまで周囲温度を変化させたときの外部電極型希ガス蛍光ランプの照度特性である。例えば従来のアナログ複写機の読み取り用光源として利用されてきたハロゲンランプの光量立ち上がり特性は、安定時の光量を100%とした場合にその90%に達する時間がおおよそ300msであるが、外部電極型希ガス蛍光ランプでは90%で20ms程度であり、如何に光り立ち上がり特性に優れるかが理解できる。用途としては、従来ハロゲンランプを読み取り用光源として利用していた複写機、カラースキャナなどでの利用が年々拡大している。
最後に効率の点について簡単に触れることにする。従来の内部電極型の希ガス蛍光ランプから外部電極型の希ガス蛍光ランプの登場により、ランプへの入力電力に対する光への変換効率は飛躍的な高まった。しかしながら現時点では、水銀を利用した蛍光ランプの変換効率と比較すると十分とは言えない。今後の真空紫外光に適した蛍光体の開発、効率の高い真空紫外光源に関する研究が望まれる。
(吉岡正樹)
図5-1 外部電極型希ガス蛍光ランプ
図5-2 無電極蛍光ランプの温度特性
5.2 誘電体バリア放電エキシマランプ
5.2.1 発光原理1)
誘電体バリア放電エキシマランプの動作原理について図5-3を使用して、簡単に説明する。
二枚の誘電体(石英ガラス)で空間を形成し、この空間に放電ガスが充填される。二枚の誘電体の外側(放電空間でない側)に、誘電体に接して電極を配置する。電極間に高周波、高電圧を引加すると、二枚の誘電体(石英ガラス)を通して放電空間に電圧が引加され、この電圧が放電空間の放電破壊電圧以上になると放電し、誘電体(石英ガラス)間に細い針金状の放電プラズマが多数発生する。しかし、放電路に直列に誘電体が存在するので、誘電体表面に電荷が蓄積されると次の逆電圧がかかるまで放電は終止してしまう。放電の寿命は数+ns程度である。さらに、誘電体は、放電プラズマが放電路に直角方向に広がる事を阻止するので、一つの放電プラズマの直径は0.1mm程度になる。すなわち、放電空間に多数本発生したマイクロプラズマは直径が0.1mm程度、寿命が数+ns程度ということになる。
発生した放電プラズマ中では高エネルギーの電子によって放電ガスの原子が励起されて、瞬間的にエキシマ状態(Ar2*、Kr2*、Xe2*、KrCI2*、XeCI2*)となっている。このエキスマ状態が基底状態に戻るときに、そのエキシマ特有のスペクトルを発光(エキシマ発光)する。発光スペクトルは、充填された放電ガスの組成によって決まる。発光波長は実質的に単一波長に近く、半値幅は数nm~+数nm程度である。エキシマ発光の原理をXe2*図5-4に示す2)。
エキスマAr2*、Kr2*、Xe2*、KrCI2*、XeCI2*の各発光スペクトルを図5-5に示す3)。
図5-3 放電原理説明図
図5-4 エキシマ発光の原理
図5-5 代表的な発光スペクタル
5.2.2 ランプ形状1)
電極が放電空間に無い、いわゆる無電極ランプである。従って、点灯時の電子衝撃による電極のダメージや電極のスパッタリングによる放電容器内壁の汚れの発生が無く、点滅点灯によって短寿命化に繋がることもない。構造上の構成は、発光原理で示したように、誘電体で形成された放電容器とその外側に電極が配置されていればどのような形状でも構わない。従って、かなり自由な形状のランプを作ることが出来る。ここでは3種類について、図5-6を用いて簡単に説明する。
図5-6 ランプ構造図
(1)円筒外部放射型
図5-6bに構造を示す。太い石英ガラス管と細い石英ガラス管を用いて円筒状の放電空間を形成している。太い石英管の外側には金網を、細い石英管の内側には光反射板をかねた金属箔を配置し電極としている。金網を通して光を取り出す。このタイプのランプを複数本配置することで大面積の平面光源を作ることが出来る(後述)。
(2)円筒ヘッドオン型
図5-6aに構造を示す。二重円筒の石英ガラス管の片端部に光取出し窓を設けてランプ軸方向に光を取り出す方式で、内外両電極とも金属箔を用いている。この方式だと、光取出し方向の放電プラズマの厚さを厚く出来るので、サイドオン型に比べて数倍の強度の光を取出すことが出来る。小面積高出力の用途に適している。
(3)円筒内部放射形
図5-6cに構造を示す。電極の配置がサイドオン型とちょうど逆になっている。金網の電極を細い石英管の内面に配置して、管内に光を取り出す。紐やファイバ状の処理物、流体等の処理に適している。
5.2.3 ランプの特性上の特徴
エキシマランプの特徴をまとめる。
- 1. 実質的に単一波長に近い。
- 2. ガス温度が上がらず、低温プロセスに適する。
- 3. 瞬時点滅点灯が可能である。
- 4. ランプ形状に自由度がある。
- 5. 並列点灯が可能で、大面積化が可能。
5.2.4 実際のアプリケーション
ランプを複数本組込んだ平面光源の基本構造を図5-7で説明する。ランプは水冷されている冷却ブロックに4本取り付けられ、並列点灯される。ランプとランプの間には光出力の分布を均一にする為の山形ミラーが取り付けられている。ランプ前面には光を取出すための石英ガラス窓が配置されていて、ランプハウス内部は窒素でパージされている。原理的にはこのような構成で幾らでも大きい面積の平面光源を作ることが出来る。
8インチ半導体用途のユニット構成では、面積230mm×230mmの窓を持ち、総出力5~6WのXe2*エキシマ光(172nm)を取出すことが出来る。また、550mm×650mm液晶基板処理用ユニットでは総出力40数WのXe2*エキシマ光(172nm)を取出すことが出来る。
図5-7 エキシマランプ搭載の照射ユニット構造図
5.2.5 用途例
現在商品化されている各エキシマランプの主な用途を紹介する。
- ・126nm(Ar2*)
光CVD、有機物合成過程の研究、真空中の水分量の分析等 - ・146nm(Kr2*)
光CVD、蛍光体評価用光源 - ・172nm(Xe2*)
光CVD、UV/O3洗浄、表面改質、水処理、殺菌 - ・222nm(KrCI2*)
光化学、UVキュアー、水処理、殺菌 - ・308nm(XeCI2*)
光化学、UVキュアー
今後エキシマランプの特徴を生かした多くの用途が開拓されるものと期待される。
(菱沼宣是)
5.3 ロングアークメタルハライドランプ
5.3.1 はじめに
当社で生産されているメタルハライドランプには、大きく分けて二種類ある。可視光を利用したプロジェクト用のショートアークメタルハライドランプと紫外線を利用した産業用のロングアークメタルハライドランプ(以下、ロングアークメタハラと呼ぶ)である。ここでは、産業用特殊光源(特に紫外線硬化インキ・塗料・樹脂)であるロングアークメタハラについて紹介する。
ロングアークメタハラは、紫外線硬化用高圧水銀ランプ(以下、水銀ランプという)をベースとしており、水銀の放射に加え、金属が持つ固有の放射を得るために、金属ハロゲン化物を添加した紫外線放射効率の高いランプである。使用される波長領域は、240~450nm(一部の用途で可視光が使用される)である。
5.3.2 放射原理・特徴・用途例
放射の原理は、図5-8に示すとおりである。放電が開始されると、放電管壁の温度は上昇し、放電管壁に凝集していた添加物(金属ハロゲン化物)は蒸発し始める。蒸発し始めた金属ハロゲン化物は、アーク柱で解離し金属原子とハロゲンとに分かれる。この金属原子に電子が衝突し、金属原子は電子のエネルギーを吸収し、励起状態になる。励起された金属原子は吸収したエネルギーを放射エネルギーとして放出し、準安定状態またはより安定な基底状態に戻る。
この時放出された放射エネルギーは、次式で求められる波長の放射となる。
ここで、λは波長[nm]、hはプランク定数、cは光速、Eは放射エネルギー[eV]である。
基本構造は、水銀ランプに類似しており、放電管には透明石英ガラスを用い、電極にはトリエーテッドタングステンを用いている。外観は図5-9に示すとおりである。水銀ランプとの若干の違いがあり、それは放電管内に電気を送り込む電極とモリブデン箔から成るマウント部に集中している。その一例として、マウント部の電極と箔の溶接部に用いるバインダーの材質が異なる点があげられる。この点が設計上のポイントである。
特性上の特徴について述べると、以下の①②③に記すとおりである。
- ①ハロゲンが放電管内にあることで、放射エネルギーを放って基底状態に戻った金属は、放電管壁近傍の比較的温度の低い領域でハロゲンと再結合し、ハロゲン化金属となり化学的に安定になるので石英ガラス製の放電管内表面と反応しにくくなる。このハロゲンサイクルの結果、ランプ動作中の放電管の透過率は、経時劣化が少なく長寿命となる。また、放電管寸法はそのままもしくは小径でランプ入力も高められるため、より高い放射エネルギーが得られる。
- ②蒸気圧の低い金属元素(ランプ動作時の放電管温度では放射が得られない元素)も蒸気圧の高い金属ハロゲン化物の形にして用いることで、個々の金属が持つ特有のスペクトルを利用できるようにしている。その結果、ロングアークメタハラは、水銀ランプでは放射できない波長の放射を放つことができる上に、紫外域の放射効率も水銀ランプより高くできる。
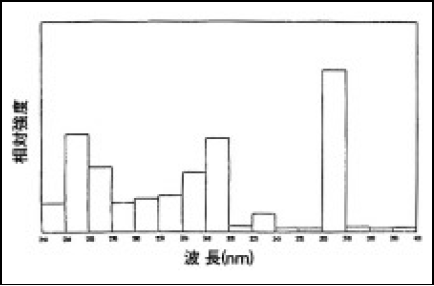
一例として、一般的によく使用されている鉄系ロングアークメタハラ(鉄の放射が強い)では、350~400nmの鉄の連続放射により、この紫外領域の放射出力は水銀ランプの2.5倍以上になる。水銀ランプと鉄系メタハラランプの分光分布図をそれぞれ図5-10と5-11に比較して示す。
しかし、ロングアークメタハラにも苦手な波長域があり、250nm付近の波長を必要とする用途(クリアコート、接着)では水銀ランプが利用される。ロングアークメタハラに添加できる金属ハロゲン化物にはいくらか制約があるため、周期律表に出てくる金属全てを利用できるわけではない。
金属ハロゲン化物が満たさなければならない制約条件とは以下のa とb に記すとおりである。
- a 石英製発光管の管壁温度の650°C~850°Cでは安定(石英ガラスとの化学的反応がない)で、かつこの温度領域で放射するに充分な蒸気圧(最低約10Pa以上)をもつこと。
- b 所望の波長域に強い原子スペクトルを放射する金属のハロゲン化物であること1)。
- ③ロングアークメタハラでは、放電管内にハロゲン化物を添加していることで水銀ランプより始動性が悪く、点灯装置にイグナイタと呼ばれる点灯補助装置が必要になる。
用途は、紫外線硬化用のインキ、塗料での印刷やコーティングおよび紫外線硬化樹脂でのコーティングなどの硬化用が主である。紫外線を用いることで、従来の乾燥方法より以下に示すa b c d の点で優れ、年々需要が高まっている。
- a 乾燥(硬化)装置が小さくでき、設置面積が小さくて済む。
- b 乾燥(硬化)速度が数秒と速く、作業性が良い。
- c 揮発物がないため環境汚染がない。
- d 電力や燃料などのエネルギー消費量が少なくて済む。
最近、マルチメディア化が急速に発展していることで、通信用光ファイバケーブルの需要が増え、光ファイバの被覆材硬化用として急速に需要が伸びている。
その他の具体的な用途としては、伝票などのビジネスフォーム印刷、飲料缶・化粧板などの金属印刷、各種シールのシール印刷、カレンダ・地図などの枚葉印刷などがある。
(布施哲夫)
図5-8 金属ハロゲン化物の放電開始後の振る舞い
図5-9 ロングアークメタルハライドランプの外観
図5-10 高圧水銀ランプの分光分布(160W/cm入力)
図5-11 メタルハライドランプの分光分布(160W/cm入力)
