USHIO

光技術情報誌「ライトエッジ」No.13

エキシマランプの実用状況と測定の実際

(1998年7月)

エキシマランプの実用状況と測光の実際

ランプ第二事業部 ELEプロジェクト
菱沼 宣是

はじめに

1993年11月の北海道大学で開催された秋季第54回応用物理学会の併設展示会で、誘電体バリア放電エキシマランプ(以後エキシマランプと称す)の発売を開始して以来、約4年半が経過した。『エキシマ光源即ちエキシマレーザ』というのが一般通念であったが、エキシマランプの発売でエキシマ光源に対する常識が変わったように思われる。エキシマランプはエキシマレーザに比べ安価で、しかも取扱いが非常に簡単である。また対応している波長は126nm、146nm、172nm、222nm、308nmの5種類である。

現在まで、大学、官公庁の研究機関、企業の研究所を中心に研究開発用の光源として多数の出荷台数を数えている。また、産業用途として半導体、液晶関係のVUV/O3洗浄用の光源としてXe2*エキシマランプが使われ始めている。従来のVUV/O3洗浄用光源は、低圧水銀ランプが主であったが、ランプ温度が高くワーク温度を不必要に上昇させ、また漏れ光が人体に悪影響を及ぼすという問題があった。Xe2*エキシマランプはこの問題を解決し、さらに高速洗浄を可能にするなど、生産に寄与している。

これまでエキシマランプに関して数多くの報告が行われているが、ここでは、用途とエキシマ光(特にAr2*の126nm、Kr2*の146nm、Xe2*の172nm)の測光の実際についてを中心に概説する。

1. エキシマランプの構造と特徴

①エキシマランプの構造

エキシマランプの構造上の最大の特徴は、電極が放電空間内に無いということである。そして、誘電体(石英ガラス)、放電空間、電極の3者の配列が一定の条件を満たせば、どのような形状にする事も可能である。我々は、材料の入手性、加工性の点から、図.1に示すような中空二重円筒状の構造を採用した。

大小の石英管(誘電体)で放電空間が形成され、その放電空間には放電気体が所定の圧力で充填される。内側管の内壁に金属電極を、外側管の外壁には金属網電極が配置されている。内外両電極に高周波高電圧が印加され、放電空間に発生した放電プラズマが放電気体を励起しエキシマ発光させ、金属網電極の網目を通してエキシマ光が放出する。

同様の構造で、ランプ軸の一方の端面に窓を取り付けたタイプが「ヘッドオン型」である。図.2に概略構造を示す。上述の外管側面から光を取出すタイプに比べて、数倍の強さの放射強度が得られる。

170nm以下の波長の真空紫外線を効率良く透過する材質としては、フッ化マグネシウム(MgF2)、フッ化カルシウム(CaF)、フッ化リチウム(LiF2)等があるが、いずれも板状で小さなものしか入手できない。従って、Ar2*エキシマランプ(126nm)、Kr2*エキシマランプ(146nm)は、フッ化物を窓材に使ったヘッドオン構造に限定される。実際の商品は、放電空間を石英ガラスで形成し、金属を介して石英ガラスとフッ化物(MgF2)の窓材とを接合している。

図.1 エキシマランプの概略構造

図.2 ヘッドオン型ランプの概略構造

②エキシマランプの特徴

エキシマランプには次のような特徴がある。

  • ●瞬時点滅点灯が可能
  • ●実質的な単一波長

誘電体バリア放電によるエキシマ発光は、充填ガスに固有の発光波長を持ち、半値幅が小さく、それ以外の光の出力は小さく、実質的には単一波長といっても良い。

  • ● ランプ温度が低い(低温処理が可能)
  • ● 並列点灯が可能

2. エキシマランプを搭載した平面光源

エキシマランプを搭載して172nmエキシマ光を照射できる平面光源を商品化した。その平面光源について概説する。

基本構造を図.3に、610mm×690mmの窓を持つ照射装置を写真.1に示す。金属ブロックに設けた複数本の溝にエキシマランプを固定する。金属ブロックは水冷できるように冷却水の流路を備えており、ランプは金属ブロックを介して水冷される。ランプとランプの間には山形のミラーが設けてあり、窓面の照度分布を均一にすると同時に、光を有効に取出す働きをしている。ランプ、金属ブロック、山形ミラーは外気と隔離するため金属容器内に収められ、容器内はエキシマ光の吸収の少ない気体(窒素)で満たされている。ランプ前面にはエキシマ光を効率良く透過する窓ガラス(合成石英)が設けてあり、窓ガラスよりエキシマ光が照射される。

エキシマランプの特徴で示したように、エキシマランプは並列点灯が可能である。金属ブロックをグランド電位、ランプ内管を高圧電位として高周波高電圧が給電されて、同一電源で複数本のランプが点灯する。

以上のような構成で製作した窓面積610mm×690mmを持った平面光源は、総出力約46Wの172nmエキシマ光を取り出すことができる。窓面における放射照度分布のバラツキは±10%程度である。

図.3 エキシマランプを搭載した平面光源構造図

写真.1 610mm×690mm 平面光源

3. エキシマランプの用途例

エキシマランプの用途例について、支障の無い範囲で紹介する。

Ar2*エキシマランプ126nm(半値幅10nm)

  • ●真空中の微量水分の測定1)
  • ●光CVD用光源

Kr2*エキシマランプ146nm(半値幅13nm)

  • ●蛍光体の特性評価2)
  • ●アルコキシドからのSiO2の形成3)
  • ●光CVD用光源

Xe2*エキシマランプ172nm(半値幅14nm)

  • ●蛍光体の特性評価2)
  • ●VUV/O3ドライ洗浄4)
  • ●真空中における脱ガス5)
  • ●フォトエッチング6)
  • ●プラスチックの表面改質7)
  • ●光CVD用光源

KrC1*エキシマランプ222nm(半値幅2nm)

  • ●PDP用蛍光体の評価
  • ●ダイヤモンドの結晶性解析
  • XeC1*エキシマランプ308nm(半値幅2nm)
  • ●UVキュア9)

4. 真空紫外エキシマ光の測定

真空紫外光用の照度測定器は一般に市販されていない。唯一、(株)オーク製作所より185nm専用照度測定器UV-185が市販されているのみである。そこで我々は真空紫外光用専用モニタを製作してAr2*、Kr2*、Xe2*エキシマランプ(126nm、146nm、172nm)の放射照度の特性測定を行った。また、分光分布の測定はACTON社の真空紫外分光器(型式VM-502)を用いて行った。

①照度モニタの構造

石英ガラスに蛍光体(126nm、146nm、172nmに発光感度を持っている)を塗布し、真空紫外光を蛍光体で可視光に変換して、可視光の強度をシリコンフォトダイオードで測定した。Ar2*エキシマランプ(126nm)、Kr2*エキシマランプ(146nm)の場合は、石英ガラスが光を透過しないため、蛍光体に真空紫外光が直接照射するよう塗布面を露出させた。

②ヘッドオン型Ar2*、Kr2*エキシマランプの照度測定

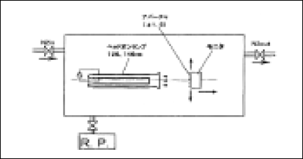
上記の照度モニタを用いてヘッドオン型Ar2*、Kr2*エキシマランプについて窓面の照度分布と、放射照度の距離依存特性を測定した。測定装置の概要を図.4に示す。エキシマランプと照度モニタは真空チェンバ内に設置した。放射照度分布測定の際には、モニタ前面にΦ1.5のアパーチャを配置している。

真空ポンプR.P.でチェンバ内を真空(約2Pa)に排気した後、窒素入り口バルブを徐々に開放してチェンバ内を窒素(純度99.999%以上)で満たす。チェンバ内が窒素で満たされた後は、窒素出口バルブを開放して系内に酸素が流入しないように測定中は流量約2L/minの窒素でパージし続けている。

放射照度分布測定はモニタをランプ窓面より所定の距離に配置し、ランプ軸に垂直に移動させて分布を測定した。また、放射照度の距離依存特性を測定する際には、ランプ軸方向にモニタを移動させて測定した。放射照度分布の測定結果を図.5に、放射照度の距離依存特性の測定結果を図.6に示す。Ar2*、Kr2*エキシマランプ共に同じ放射照度分布を示した。窓面外周部の放射照度が高くなっているのは、ランプ構造に由来する。中空ランプ構造であるため窓面中心の放射照度が低くなってしまう。

図.4 放射照度分布測定の概要図

図.5 ランプ窓面からの距離と経方向の放射照度空間分布
(窒素中)Ar2*(126nm)同一分布

図.6 軸方向照射距離による放射照度の変化

③エキシマランプの分光分布の測定

ACTON社製真空紫外分光器(型式VM-502)を用いてAr2*、Kr2*、Xe2*エキシマ光の分光分布の測定を行った。比較のため、一般に市販されている浜松ホトニクス製30W重水素ランプ(L-819-01)の分光分布測定も同時に行った。結果を図.7に示す。Ar2*エキシマランプ(126nm)、Kr2*エキシマランプ(146nm)、Xe2*エキシマランプ(172nm)の重水素ランプに対する強度比は 4:7:13であった。

図.7 Ar2*、Kr2*、Xe2*エキシマランプとD2ランプの分光分布比較

④平面光源の窓面における照度分布の測定

上述の専用モニタを用いてエキシマランプを搭載した面光源(窓開口230mm×230mm)の窓面における放射照度の分布測定を行った。酸素の真空紫外線172nm対する吸収係数が大きく、大気中における放射照度の距離依存性が大きいので、窓面における放射照度を基準にした。

測定方法の概要を図.8に示す。窓面に専用照度モニタを接触させながら移動させて照度の分布を測定した。230mm×230mmの開口窓を持つ8インチウエハ用Xe2*エキシマ光平面光源の放射照度分布の測定結果を図.9に示す。照度のバラツキは約±10%であった。放射照度が強くなっている部分はランプとランプの間である。放射照度分布を均一化するための山形ミラーの効果によるものである。

図.8 窓面放射照度分布測定の概要

図.9 窓開口230mm×230mm平面光源の窓面における放射照度分布

5. おわりに

現在、エキシマランプの産業用途の主流はXe2*エキシマランプを使ったVUV/O3ドライ洗浄である。従来の低圧水銀灯のマイナス要因(温度が上がる。安全性のため漏れ光対策必要。小型化困難。等々)を補い、なおかつ速い洗浄速度を実現したことが市場に受け入れられた理由であると考えている。

Xe2*エキシマランプ以外の波長のエキシマランプも、エキシマ光特有の特徴を生かした新しい用途が開拓されるものと思われる。官公庁、企業の研究所を中心に行われているエキシマランプを使った研究の成果が期待されるところである。

6. 謝辞

本報告は、平成9年11月20日開催された社団法人照明学会「第9回短波長紫外線の測定方法に関する研究調査会」において発表した内容をまとめたものである。

MgF2を使ったヘッドオン型ランプの構造については、術研究所大西理事のご協力を頂いた。照度モニタの較正、平面光源の放射照度分布データはELEプロジェクト竹元氏のデータを引用させていただいた。また、Ar2*、Kr2*エキシマランプの放射照度分布と放射照度の距離依存データ、及びAr2*、Kr2*、Xe2*エキシマ光の分光分布比較のデータは、技術研究所菅原主任技師のデータを引用させていただいた。ご協力に感謝の意を表します。

Copyright © USHIO INC. All Rights Reserved.