大学研究室を訪ねて
ウシオの技術情報誌「ライトエッジ」でご好評いただいている、
大学・研究者の方々へのインタビュー「大学研究室を訪ねて」をまとめました。
機能・用途
- すべて
-
日本女子大学 理学部物質生物学科 マイクロ・ナノテクノロジーを利用した生体成分の分析デバイスの開発
-
遺伝子発現を利用した生物機能開発
-
光と有機材料を利用した
「ユビキタスセンシング技術」の開発 -
光を用いた非侵襲的生体計測と病態診断への応用
-
分子進化的・ケミカルバイオロジー的技術を駆使し
人工タンパク質の創製に挑む -
環境調節工学が変える、
農業はハイテクの施設農業へ、植物工場へ。 -
エネルギー利用に関わる環境問題解決へ
-
主な研究発表
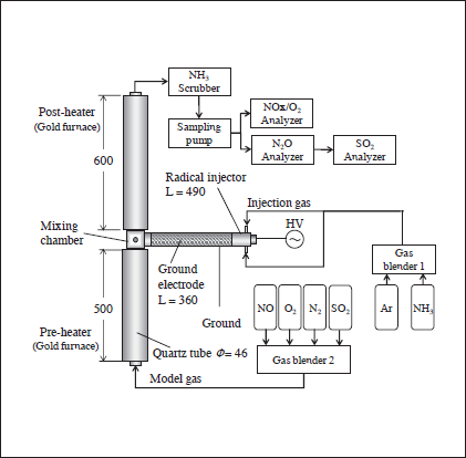
アンモニアラジカルインジェクション
による同時脱硫脱硝 -
化学・生物学の実験室・プラントをチップ上に再現
-
細胞組織の機能低下の原因を解明し、
老化・発病防止の道を拓く「ミトコ ンドリア研究」 -
究極の新エネルギー、次世代半導体
未来のライフサイエンスの道を拓く -
電子デバイスの性能を高め、新用途を拓く 次世代薄膜形成技術Cat-CVD」
-
世界トップのパルスパワー研究で産業創生に挑む。
-
SPring ― 8とニュースバルの連携が創り出す
光の新技術 -
マクロからナノまで、進化し続ける溶接技術
-
未来を担う新機能材料
-
生命・環境と光のかかわりをひもとく
-
マクロからミクロまで、縞で高速形状計測
-
常識を破った放射光利用で未来を照らす
-
光が変える、有機の世界を探る
-
50年先、100年先を見据えて、
オプトエレクトロニクスからオプティクスの時代へ -
光物性物理学の基礎研究から創造力溢れる
人材を育てる -
電子と光の技術の追求が、
私たちの生活空間を豊かにする -
環境にやさしく、私たちの生活空間を豊かにする夢の「無水銀放電ランプ」
-
スタンフォード大学に学んで
-
光で光を自由に制御する非線形光学
-
ウィスコンシン大学に学んで
-
レーザを用いた光化学反応で、
“ラジカル”の存在を探る。 -
夢の金属探究は、知と力と勇気を持って
-
エントロピーの拡大を誓ったヴァンダービルト大学の留学
-
新結晶の発明がレーザの流れを変える
-
ミネソタ大学事情
-
Münchenに学んで