光技術情報誌「ライトエッジ」No.28
大学研究室を訪ねて Campus Lab⑰
世界トップのパルスパワー研究で産業創生に挑む。
熊本大学
大学院自然科学研究科 複合新領域科学専攻
21世紀COEプログラム 拠点リーダー
秋山 秀典教授
夏目漱石や小泉八雲が教鞭をとり、その母体は九州における当時(明治20年)の最高学府として設立された第五高等中学校をはじめ、古いもので宝暦6年(1756年)にまでさかのぼるという、全国的にも歴史ある熊本大学。
衝撃・極限環境研究センター、エイズ学研究センター、発生医学研究センター、沿岸域環境科学教育研究センターなど研究体制・施設の充実・拡充が進められ、学部の枠を超えた研究プロジェクトも活発に行われるなど、独自の特色ある改革が進められています。
さらに、文部科学省による「21世紀COE(卓越した研究拠点)プログラム※」の拠点に選出され、世界の最先端を担う研究から、地域に密着した研究まで幅広く行う総合大学として、さらに質の高い教育・研究成果とともに、世界的な研究教育拠点としての期待がますます高まっています。
今回は、その21世紀COEプログラム「衝撃エネルギー科学の深化と応用」で中心的な役割を果し、衝撃エネルギー(パルスパワー)研究で世界をリードしている自然科学研究科秋山教授のパルスパワー研究室を訪問しました。
■大きく広がるパルスパワーの可能性
パルスパワーとは、超高出力の瞬間的なエネルギーのことであり、生み出される巨大電力は、世界の瞬時消費電力に匹敵します。このエネルギーを制御し、狭い領域に対して作用させることで、水の瞬間的プラズマ化や地球中心部に相当する圧力発生など、通常の方法では不可能な現象や反応を実現できます。
これまで、パルスパワーは、核融合や加速器などの科学研究の基盤技術として発展してきましたが、近年、産業利用に関する研究が盛んになるにつれ、高繰り返しで安定して動作するパルスパワー電源開発が急速に進展してきました。低気圧気体中で行われてきたプラズマ生成が、大気圧気体中や水中、さらには固体中で生成されれば、その応用用途は排ガス処理などの環境浄化、殺菌などのバイオ、コンクリートなどのリサイクル、がん治療などの医療、さらに創薬、ナノテクノロジー、物質創製などへと広がることが期待されています。
■日本が誇る、世界トップクラスの陣容
それを実現し、学会・産業界から高い注目を集めているのが、熊本大学21世紀COEプログラム「衝撃エネルギー科学の深化と応用」です。研究室を訪ねてまず驚かされるのが豊富な人材と充実した研究設備です。
1つの研究室に教授1名、客員教授1名、助教授3名が揃い、ポストドクターや学生を含めると総勢40名を超えます。さらに、21世紀COEプログラムには、世界トップクラスの10名の教官が集結するなど、世界最高水準の研究・教育機関として活動しています。
さらに今年4月には、複合新領域科学専攻・衝撃エネルギー科学講座が新設されています。このプログラムに関わる全ての人員が1つの講座に所属することで、研究・教育拠点としての活動が効率的・継続的に推進される体制が整っています。
また、日本の大学で唯一となる爆発実験用ピットや、熊本大学が開発し、世界ではじめて構成原子(置換型原子)の沈殿を実現した、100万Gレベルの重力場を高温で発生できる超遠心機、パルスエネルギーが生体に与える影響を高速で観測できるリアルタイム生体機能観察システムなど、充実した研究設備を取り揃えています。
■環境、リサイクル、ナノテク、医療への展開
プロジェクトは、「制御破壊」「物質のミクロ変換」「生体への作用の解明」の3つから構成されており、「環境」「リサイクル」「ナノテクノロジー」「医療」の4分野への応用を中心に研究が進められています。ここでは、最近の研究活動の一部をご紹介します。
【パルスパワー電源とEUV光源】
Zピンチとは、円柱プラズマの周囲に発生する自己磁場によってプラズマが収縮する現象。電流の方向がZ方向(円柱座標系)にあるとき、Zピンチとよばれます。微小プラズマに巨大な電力を短時間に注入する、パルスパワーの特徴を最も生かした応用の一つ。古くから核融合やX線源として研究され、今ではナノテクノロジーを支える次世代半導体露光用のEUV光源として一躍脚光を浴びています。秋山研究室は、ウシオ電機も参画している国家プロジェクト“EUVA”の枠組みの中、EUV光源の開発に大きく貢献されています。
EUV光源の主要構成要素は、電源、電極、ガス、そしてその結果得られるプラズマ。量産光源の要求仕様は100 W以上。波長13.5 nm (極端紫外線)の光を100 W以上得るためには、パルスパワー技術・プラズマ物理の粋を結集することが必要で、秋山研究室ならではのテーマです。
まずパルスパワー電源。これが無ければ研究ができない、光源装置の中で最も上流部に位置する存在。ベースとなるのは、半導体スイッチ(IGBT)と磁気圧縮回路(MPC)。50/60 Hzで変化する商用電力を、蓄積・圧縮してパルスパワーを作り出し、100 nsという短い時間幅で、数10 kAという大電流を負荷プラズマに送り込むことが出来る電源の開発が進められています。さらに、量産要求(>7-10 kHz)をクリアするための開発として、20 kHzという動作周波数でパルスパワーを発生させる技術の開発を目指しています。20 kHzでは、パルスとパルスの間隔は50 us。この間Zピンチプラズマがどのように振舞うのか?その解明が、大出力EUV光源の1つの鍵となるかもしれません。そこで重要となるのがプラズマ計測技術。高速度可視・EUVカメラでプラズマを撮影したり、レーザー干渉計測によってプラズマ密度を計測したりして、Zピンチプラズマの挙動が明らかになってきました。「プラズマは動く」。計測の結果、この概念が新たに認識されました。EUVの発光領域が時間と共に移動していく様子が明らかになったためです。このプラズマを動かさずに止めておくことが、EUV光源の高出力化・高品質化において重要となります。
また、トムソン散乱と呼ばれる方法を適用して、プラズマ温度の計測も行われています。この領域の(温度数10 eV, 密度約1018/cc)、しかも長さ数mmというZピンチプラズマの温度計測はおそらく世界初。EUV放射プラズマの姿が、理論計算ではなく実験によって明らかになりつつあります。
EUV光源の高出力化へのアプローチは、電源の高繰り返し化とともに、プラズマ特性の改善によっても行われています。これまで一般に用いられてきたXeガスに加え、高い発光効率が得られるSnを用いた実験も行われました。電極の形状にも工夫が施され、EUV光源に適したプラズマを生成するための研究が行われています。また、プラズマパラメータを制御する手法として、縦磁場(Zピンチの軸方向に印加する外部磁場)の利用も行われています。これによって、プラズマからの実効的な放射EUVエネルギーが約1.6倍も増加したとの研究結果が得られています。
プラズマから放射される光のうち、EUV領域のスペクトル(Xeプラズマの場合)の計測結果。10-16 nmに顕著なスペクトルが現れますが、必要なのは13.5nm(バンド幅2 %)のみ。この発光強度を上げることが光源の高出力化につながります。縦磁場を加えると、その縦磁場を圧縮しながらプラズマが収縮(ピンチ)するため、プラズマ内部の磁気圧が高くなります。外部の磁気圧(自己磁場)とのバランスが変化するため、プラズマパラメータが変化し、それによって放射スペクトルの制御が可能とされています。
Zピンチは、収縮時に不安定となり、プラズマが曲がったり折れたりして、均一なピンチプラズマが出来ないことがあります。そのような現象が起こると、局所的にエネルギー密度が上がるため、EUV光源にとって好ましくない場合があります。ここで縦磁場を加えると、収縮速度が若干低下し、プラズマ不安定性の発生が抑制されるため、均一なピンチプラズマが形成されます。これがスペクトル分布の変化として現れ、EUV出力の向上にもつながるのではないかとされています。縦磁場の印加によって、実効的なEUV放射エネルギーが約1.6倍増加したとの研究成果が出ています。
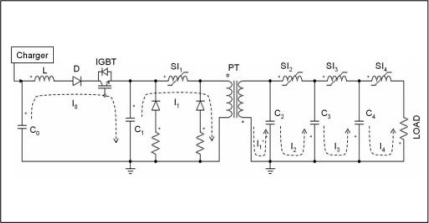
20 kHz動作を目的に開発されているパルスパワー電源の回路図。充電器によって充電されたコンデンサC0は、IGBTをターンオンすることによって放電し、インダクタLを介してC1を共振充電します。その後、可飽和インダクタ(磁気スイッチ)SL1の磁気飽和現象が発生し、C1のエネルギーは昇圧パルストランス(PT)を経由してC2へ転送されます。その後同様の現象が順番に起こることによってC4までエネルギーが転送されます。転送が進むにつれて回路インダクタンスは小さくなっているため、徐々に電流のパルス幅は短くなり、電力は圧縮されていきます。その結果、負荷ではパルス幅100 ns、電流値数10 kAの短パルス・大電流が得られる仕組みになっています。
可視光・EUV発光領域の移動の様子。ピンチ完了時(100 ns)は、プラズマの温度が高いためEUV発光があまり得られていません。その後発光領域は前後に移動していきますが、EUV放射に適した温度を保っている間はEUVの発光が維持されます。
EUV光源プラズマの積分写真(可視光)。針状のプラズマ(長さ数mm)のように見えますが、実はプラズマが移動した結果長く見えるようになったものとされています。
EUV光源プラズマの時間分解写真(可視光)。プラズマが前後に移動している様子がわかります。これを時間積分すると、上のような針状のプラズマに見えます。
【バイオへの作用と医療への応用】
細胞への1V以上の電圧印加は、細胞膜に小孔を開けて遺伝子や薬品を導入するエレクトロポレーション(細胞膜穿孔)や、細胞膜を傷つけずに異常細胞のアポトシース(プログラム細胞死)を誘発させることが可能です。細胞へ印加する電圧パラメータの1つに周波数がありますが、この研究室では電圧周波数に対する細胞へのエネルギー作用部を把握するために、細胞の電気的等価回路を構築してシミュレーションを行いました。その結果、1MHzまでの周波数では主に細胞膜に、1から数MHzまでは核膜に、数MHz以上では細胞質にも電界エネルギーが印加されることが確認できました。現在は、海外連携機関である米国OldDominion Universityとともに、がん治療の基礎研究が進められています。
【水中大容量放電プラズマによる環境への応用】
水中に置かれた針や線などの尖状電極に急しゅんに立ち上がる100kV程度の高電圧を印加すると、尖状電極近傍の電界強度は数MV/cmに達する。この高電界によって水の絶縁破壊が起こり、電極近傍に微小な放電が形成される。プラズマは、超高圧電界・衝撃波・紫外線・化学活性種を伴い、様々な環境応用に利用が可能であり、有機高分子の分解やバクテリアの殺菌といった水質浄化に利用できます。特にアオコなど水中に密集して生息する生物の処理に効果を発揮します。
現在、研究室では、太陽電池で動作するプロトタイプ装置を製作し、ダム湖におけるアオコ殺藻効果を確認。現在、殺藻メカニズムの解明を進めています。
水中プラズマの写真、直径は25cmと大容量
アオコのプラズマ処理前と後の比較写真
【岩石内パルスパワー放電とリサイクル】
現在、建設工事などに伴う廃棄物は、年間8000万トンにおよびます。中でも、土木工事から大量に発生するアスファルトやコンクリート塊のリサイクル率は50%程度に過ぎず、しかも素材の破損が大きいために同じ用途に用いることができず、素材回収の改善が求められています。
これを解決するため、パルスパワーの放電・衝撃波などを利用した2つの方法で物質分離の研究が進められています。1つは岩石内部で直接放電を起こす方法、もう1つは金属細線の溶断による衝撃波を用いる方法です。後者の場合、金属蒸気と水との化学反応を重畳することで、さらに大きな破砕効果を生みます。この方法であれば、コンクリートと骨材の界面における放電や、界面での音響インピーダンスの不連続性に起因する衝撃応力によって、骨材がコンクリートから分離され、その損傷も少なく、同じ用途での再利用が可能となります。
コンクリートリサイクルの実験写真と処理前・後のコンクリート写真
■専門の枠を超えた創造的な研究者を。
COEプログラムは「若手の人材育成」という、もう1つの大きな目的を達成するため、COE若手研究者のための合同合宿、海外インターンシップ、オープンラボの提供、学内外での国際会議の開催と、その模様や論文などを世界に向けて発信するe-learningシステム、プロジェクトメンバーと海外連携機関によるTV会議システムを使用した週1回のCOEセミナーなど、非常に興味深い試みが行われています。
また、研究費の支援を行う若手研究者研究活動経費支援プログラム、研究活動に対して報酬を支払う若手研究者雇用プログラムなど、まさに研究に没頭できる環境を整えており、これらは“競争的な環境の中で自らが学ぶ”、“専門の枠を超えた幅広い教育”という、秋山先生の教育に対する考え方を体言化したものといえます。
「研究のための研究ではなく、産業創生という視点から物事を進めるには専門の枠を超えた創造性が求められます。例えば、パルスパワーの応用分野は、電気ではありません。むしろ協働する企業は電気系でないことの方が多い。分野が違えば使用する用語も違います。ここでは、土木や薬学、医学など様々な分野の人たちと協力して研究を進めています。国内外を問わず、様々な分野との交流を重ね、思考錯誤することで自分の幅が広がっていきます。昔のように、となりの研究室は何をやっているのかわからない、では通用しません…」
世界トップの研究成果と充実した設備、それらを存分に活用する教育体制。専門の枠を超えた創造的な研究者を育成する国際的な教育拠点として、秋山先生が率いる研究室が今、世界から熱い注目を集めています。
秋山先生と研究室のみなさん
プロフィール
秋山秀典教授
アキヤマ ヒデノリ
- 熊本大学大学院自然科学研究科複合新領域科学専攻
- 21世紀COEプログラム拠点リーダー工学博士
- ≪略歴≫
- 名古屋大学大学院工学研究科博士課程修了後、助手を経て、1985年に熊本大学工学部助教授、1994年教授となり、現在に至る。
- ≪研究テーマ≫
- パルスパワー理工学
- ≪所属学会≫
- 電気学会、物理学会、プラズマ・核融合学会、レーザー学会、米国電気電子学会、工学教育学会、放電学会
- ≪受賞学術賞≫
-
IEEE Fellow 2000(国外)
工学教育賞(日本工学教育協会)2000(国内)
Major Educational Innovation Award
(IEEE)2000(国外)
Peter Haas Award(IEEE)2003(国外)
ティーチング・アワード2003~2004(国内) - ≪著書≫
-
「高電圧パルスパワー工学」オーム社(2003)
「高電圧パルスパワー工学」森北出版(1991)
「プラズマ理工学」日刊工業新聞社(1988) - ≪お問い合わせ先≫
-
〒860-8555 熊本県熊本市黒髪2-39-1
熊本大学工学研究機器センター3階
熊本大学21世紀COEプログラム
「衝撃エネルギー科学の深化と応用」拠点本部
TEL:096-342-3808
FAX:096-342-3818
E-mail:akemi@cs.kumamoto-u.ac.jp
URL:http://pps.coe.kumamoto-u.ac.jp/ -
パルスパワー&プラズマ研究室
TEL:096-342-3618
E-mail:akiyama@cs.kumamoto-u.ac.jp
URL:http://www.pplab.eecs.
kumamoto-u.ac.jp
熊本大学パルスパワー研究室
2006年度メンバー
教授1名 客員教授1名 助教授3名
ポスドク3名技術支援1名
事務支援2名 大学院生24名
学部生8名
