USHIO

光技術情報誌「ライトエッジ」No.15

特集 放電ランプ

(1998年11月)

2. キセノンショートアークランプ

2.1 原理と特性、構造

2.1.1 発光原理と分類

(1)どうしてガスが発光するのか

封入されているキセノンガスが光るのは、キセノンの原子あるいは分子の励起によって光が発生することによる。原子内の電子は普通の状態ではいずれの内核電子も、定常状態としては、それぞれの電子に規定されたただ一つの特定状態しか持ちえないという、フェルミ分布に従って最低準位の状態から順次席を占めている。最外殻電子も同時に取りうる準位のうちの最低の準位に位置している。この状態を基底状態という。外部から光やX線があたったり、あるいは運動電子が衝突したりすると、内核電子は基底の状態よりも高いエネルギー準位に移ることができる。このような現象を励起と呼び、その状態を励起状態という。励起状態は非常に不安定で、短時間(約10-8秒)でもとの基底状態に戻る。しかし水銀や不活性ガスにおいては、これよりずっと長く10-2秒程度励起状態にとどまる場合がみられる。このような状態を準安定状態と呼ぶ。原子が励起状態から低いエネルギー状態にもどる時に、余ったエネルギーを光として放射する。このエネルギー差によって放射される光の波長が違う。言い替えると色が違ってくる。図2-1に代表的なキセノンのエネルギー準位を示す。

図2-1 キセノンのエネルギー準位

キセノンランプには以上のような線スペクトルが発生する他に、イオン化エネルギー以上のエネルギーでたたき出された自由電子が、イオンと再結合する時に放出される連続スペクトルと自由電子が原子の強いクーロン場の中で加速・減速運動することにより放出される制動幅射による連続スペクトルを発生する二つの機構があり、キセノンランプの場合は、これがむしろ線スペクトルを凌駕するほどである。そのため図2-5のような特徴的スペクトルを発生する。

さてこの光を励起するためには上に述べたように最初に運動している電子が必要となってくる。この電子は電極から最初に引っ張り出す必要がある。

(2)電極からの電子放出

電極の中には自由電子がたくさん存在するから、これらの電子に十分なエネルギーを与えると、電子は電極から外へ飛び出す。この電子に十分なエネルギーを与え、電子を電極から外へ飛び出させる方法には次のような方法がある。

  • ・電極に熱を与える。
  • ・電極の表面に光を与える。
  • ・電極に強電界を与える。
  • ・イオンを当てて二次電子を励起する。

これらの方法で飛び出してきた電子が加速され陽極に向かいながら図2-2のように次々と電離と励起を起こし、電子なだれが発生し放電が開始していく。キセノンランプではイグナイタと呼ばれる高電圧の発生装置(約30kv)で電極に強電界をかけて電子を飛び出させる。この電子によって次々に発生した電子あるいは陽イオンが電極に衝突することによって、電極に熱を与えさらに多くの電子を飛び出させることになる。

図2-2 電子なだれ

(3)分類

キセノンランプは点灯する方法によって直流型と交流型に分類される。直流型は電極の片方が陰極になり他方が陽極となる。電極の温度が高すぎると電極材料であるタングステンが蒸発して管壁内壁に蒸着し照度の減衰になる。そのため、特に電子が衝突する陽極は陽極温度が高くなるため、熱容量を大きくして温度の上昇を押さえるように、陰極に比べて大きくなっている。交流型は両電極が交互に陽陰極になるためどちらも同じ大きさである。その為、交流型は電極の温度が直流型に比べ高くなりタングステンが蒸発し易い。しかし点灯装置において電流を整流する必要がないので小型で安価にできる利点がある。

2.1.2 構造

キセノンランプはそのシール構造によって断継ぎランプと箔シールランプに分類される。

(1)段継ぎシール(グレーデッドシール)

図2-3に段継ぎシール型キセノンランプを示す。陽極あるいは陰極には高融点金属棒を使用して、電極とは反対側に金属棒とほぼ同一の熱膨張率を有するガラスを溶着し、さらに熱膨張率の異なるガラスを段々に継いで最後は容器とシールされている。段継ぎシールランプは金属棒(Φ3mmから7mmのタングステン棒)を使用しているため大電流を流すことができるが、段継ぎガラス部分の耐熱温度が約500°Cであるため発熱源のアークからの寸法を長くとらなければならず、ランプ寸法が長くなってしまう。キセノンランプには数気圧から数十気圧のキセノンガスが封入され、発光部の温度は数千度にも達するため、ガスを封入している容器は丸型の石英ガラスが使用されている。

図2-3 段継ぎシールランプ

(2)箔シール

図2-4に箔シールランプを示す。箔シールランプは薄い金属箔(モリブデン)を使用しているため、膨張係数は石英ガラスが6×10-7/°Cでモリブデンが57×10-7/°Cであるにもかかわらずモリブデンの塑性変形によりクラックを起こさずシールされている。しかし導電部分に薄い金属箔(普通は厚さ10~40µmのモリブデン箔)を使用しているため大電流が流されない。そのために大電力のランプでは箔を5枚まで組み合わせて約130Aまで流せる構造をとっている。また箔シールランプは金属箔を使用しているために、段継ぎランプに比べて全長を短くすることができる利点がある。

図2-4 箔シールランプ

(3)陽極

電子が突入してくるため温度が数千度近くなるために、タングステンが使用される。それでもアークがあたる先端部分はタングステンの融点である3300°C近くになるため、できるだけ体積や表面積を大きくして陽極温度を下げて、タングステンの蒸発を抑えている。また先端の形状や大きさもアークの安定度や大きさに関係するため、設計に工夫がなされている。

(4)陰極

電子が陰極先端から安定して飛び出しやすくするため、タングステンに約2%の酸化トリウムを入れ適当な熱処理を施すと、点灯時に表面に金属トリウムの単原子層が形成される。原子内の電子配列によってこのトリウム原子は電気双極子として表面電位障壁を下げるように働き、仕事関数が著しく小さくなって2.63eVぐらいになる。このタングステンをトリエーテッドタングステンといい、使用温度はタングステンより低くても、2000~2400°Cで熱電子放出が大きくなる。先端部も熱電子放出や電界放出をし易くするため鋭角になっており、先端径もそれぞれ工夫がなされている。

2.1.3 特性

(1)分光分布

図2-5にキセノンランプと太陽光との分光分布を表す。このようにキセノンランプと太陽光との分光分布は非常に似ているためキセノンランプは凝似太陽として使用されている。800~1000nmの近赤外部分に強いピーク波長があるため熱源としても使われている。

図2-5 キセノンランプと昼光のスペクトル比較

(2)輝度分布

図2-6に示すように陰極先端部分の輝度が一番高く、陰極輝点と呼ばれ、普通数千万cd/m2のものまで作られており太陽の輝度(2.07×199cd/m2)を超えるような設計のランプもできる。このように輝度が高く、発光部の面積も小さいので、光学設計では点光源として設計されている。

図2-6 輝度分布

(3)配光分布

図2-7のようにランプ軸方向の配光には電極の先端角のため両端に影ができる。ランプ軸に対して垂直方向が最も明るい方向となる。

図2-7 配光分布図

(4)寿命特性

図2-8に照度の点灯による減衰特性を示す。電極材料が蒸発し発光管の内壁に蒸着し管壁が黒くなるためガラスの透過率が低下して点灯時間とともに照度が低下してくる。電極先端部分が蒸発しアークにより損傷を受けるため放電が不安定になりアークは時間とともにゆらいでくる。

図2-8 全光束減衰曲線

(5)電気特性

キセノンランプは水銀ランプに比べて、ランプ電圧が低く電流が大きい。また常時高圧(数十気圧)が封入されているため絶縁破壊するために高い電圧を印加する必要がある。そのため図2-9に示すような特別な回路が必要である。その反面、始動に時間を要せず瞬時再点灯ができると言う利点がある。

図2-9 起動装置回路図

2.1.4 製造工程

キセノンランプの製造工程は次のようにランプの構成部分により大きく分けられる工程からなりたっている。

(1)電極

  • ①機械加工により設計通りの寸法に切削する。
  • ②表面及び内部の不純物を取り除く。
  • ③トリエーテッドタングステンは熱処理により活性化する。

(2)発光管

  • ①石英ガラス管を設計通りの寸法形状に加工する。

(3)芯線

  • ①電極に圧入するように先端部分を機械加工する。
  • ②他端部分にシール用の段継ぎガラス加工をする。

(4)シール

電極、芯線、発光管を一体にシールする。

(5)排気

  • ①ランプの中を真空に排気する。
  • ②キセノンガスを封入する。

(6)仕上げ

口金を取り付ける。

(7)梱包

最終検査後箱づめする。

(吉良健裕)

2.2 特徴と用途

2.2.1 キセノンランプの特徴

次のような長所がある。

  • ①分光分布が太陽光に類似しているため昼光色と同じで演色性が良い。
  • ②紫外域から赤外域まで連続スペクトルである。
  • ③点光源である。
  • ④輝度が高い。
  • ⑤瞬時再点灯ができる。
  • ⑥安定時間が短い。
  • ⑦赤外部に強い輝線スペクトルがある。
  • ⑧電気入力の変化に対して分光分布は一定である。

また反面次のような短所もある。

  • ①高圧ガスが封入されているため取り扱いには注意が必要で使用時以外は保護カバーが必要である。
  • ②ランプを始動するために高電 圧を発生させるイグナイタが必要である。
  • ③ランプを安定して点灯させるために安定器が必要である。
  • ④ランプが高温であるため冷却系が必要である。

2.2.2 用途分野

上記長所を生かして照明分野、理化学分野、計測分野などで利用されている。

2.2.3 用途例

  • ①分光分布が太陽光に類似しているため昼光色と同じで演色性が良い。
    映写機・プロジェクタ・スポットライト・標準白色光源・内視鏡・人工太陽灯・製板・環境試験機・植物栽培・集魚灯・手術灯
  • ②紫外域から赤外域まで連続スペクトルである。
    分光器・光学実験
  • ③点光源である。
    顕微鏡・映写機・プロジェクタ・スポットライト・投影機・サーチライト・手術灯
  • ④輝度が高い。
    映写機・プロジェクタ・スポットライト・投影機・サーチライト
  • ⑤瞬時再点灯ができる。
    サーチライト・手術灯
  • ⑥安定時間が短い。
    サーチライト
  • ⑦赤外部に強い輝線スペクトルがある。
    光溶接機
  • ⑧電気入力の変化に対して分光分布は一定である。
    分光器

2.2.4 取り扱い上の注意

  • ①高圧が封入されているため持ち運び、保管時には保護カバーに入れておく。
  • ②封体は石英ガラスでできているため、直接手で触れない。
  • ③ランプに曲げ・ねじりの応力を加えない。
  • ④ランプに強い衝撃を加えない。
  • ⑤ランプを落とすと破裂するのでたとえ保護カバーに入れていても落下させない。

(吉良健裕)

2.3 映写機用光源

2.3.1 要求される特性

(1)映写機をとりまく状況─映画館用映写機に求められるもの

当たり前のことだが、映画館は足を運んでくれる観客があってこそ初めて成立しうる。映画産業と映画機材産業もしかりである。「なにをはなから悠長な」という読者のお声が聞こえてきそうだが、何ごとも当たり前のことを充分把握することが大事なのである。三波春夫氏のかの有名な言葉ではないが「お客様は神様です」ということになる。そういうことだから、映写機用光源に要求される特性という事項は、この神様である映画観客の皆様の、スクリーンに映写された映像に対するご要求をうかがうことから当然始めなければならない。そこから、映写機に対する要求や映写機用光源に対する要求が出てくるのであって、そういうアプローチこそがマーケットインの発想を満たすのである。先ずランプありきではなく、お客様ありきなのである。「先ず光ありき」の聖書の世界とはかなり様相が違うのである。かといって「先ず光ありき」のプロダクトアウトの発想が常に正しくないと主張しているわけではないので、誤解の無いようにお願いしたい。なお、映画はその映像のみならず音響も楽しむものだが、本項の主旨から音響面での考察は除外させていただく。

(2)映画観客の要求

ウシオグループで映画観客にアンケートを取り、彼らの要求をつかんだりしたということは聞いたことがない。しかし、筆者を含めたウシオグループの構成員が、ランプとランプ装置製造販売に従事していると同時に映画観客であるから、自らの経験から映画観客の要求は何か経験則的にまとめ上げることができるのである。宇宙飛行士の特殊光源に対する要求というようなことになると、そう簡単には行かないが。仮にスクリーン映像に対するアンケートを取ったとすると、要求の大多数は次のような事項に収斂するのであろう。観客の各要求の左側に、それに応じた映画館の映写機に対する要求を併記する。なお、スクリーン自体に対する要求事項も存在するのだが、本項の目的上割愛する。

  • ①映像の色がきれいで自然であること→色の再現性が良いこと
  • ②映像にひずみが無く細部まで見えること→解像度が高く歪みのないこと
  • ③映像が充分明るいこと→光出力が必要十分であること
  • ④映像の明るさがほぼ一様であること→光出力が映写角度内でほぼ均一であること
  • ⑤映像が安定しちらつかないこと→光出力が安定しちらつかないこと
  • ⑥映像が中断されないこと→光出力が予期せずと切れないこと

これら6点の内何点かは、モノクロ(白黒)映画しかなかった時代のことを知っている方になら容易に理解されよう。その頃は画面が暗く、歪んでいたり、おまけにと切れたりするということがままあったからである。また光源のせいではないが、フィルムを使い回したあげくフィルムに傷がつきそれが画面に雨が降っているように見えたりした。その頃と比べると、現在の映画館の映像は格段に良くなっている。映写がと切れたりして、観客が口笛を鳴らし足を鳴らして抗議するというようなことが本当に無くなった。

(3)映画館の映写機に対する要求

映写機に対する要求は、上記の(2)の①から⑥に加えて、映画館運営上の理由から次のような事項が出されるであろう。各要求事項の下あるいは右に映写機の光源に対する要求を併記する。なお(2)の②「映像に歪みが無く細部まで見えること」という映画観客の要求事項は、光源よりむしろ映写機の解像度、映画フィルムのサイズ、映写機光学系の解像度などに依存するので、以下では取り扱わないことにする。

  • ①既定の映画館運用プログラムシークエンスに応じて、確実に始動すること、更に安定時間が短いこと→光源が確実に始動し安定時間が短いこと
  • ②効率の高いこと→光源の発光効率が高いこと
  • ③連続映写が可能なこと→光源の連続点灯が可能なこと
  • ④装置の寿命が長いこと→光源の寿命が長いこと
  • ⑤装置のメンテナンスが容易なこと→光源のメンテナンスが容易なこと

(4)映写機の光源に対する要求

上記の(2)の①から⑥、(3)の①から⑤を、映写機の原理、構造面を考慮し映写機の光源に対する要求事項として把握し、読者がご理解しやすいように恣意的に配列すると次のようになる。各項目に該当する光源(ランプ)候補を併記する。なお、これら候補はすべて空冷方式のものであり、キセノンランプ、メタルハライドランプ、水銀ランプはショートアークタイプ、ハロゲンランプ、白熱ランプはフィラメントが比較的小さいタイプを念頭に置いた。また、一部の国で今なお使用されているカーボンアークはここでは除外して進める。

  • ①演色性の良いこと→DCキセノンランプ、DCメタルハライドランプ
  • ②点光源に近いこと─輝度が高いこと→DCキセノンランプ、DCメタルハライドランプ、ハロゲンランプ、DC水銀ランプ、白熱ランプ
  • ③確実に始動し安定時間が短いこと→DCキセノンランプ、ハロゲンランプ、白熱ランプ
  • ④発光効率の高いこと→DCメタルハライドランプ
  • ⑤出力が安定していること→DCキセノンランプ、DCメタルハライドランプ、ハロゲンランプ、DC水銀ランプ、白熱ランプ
  • ⑥出力の光軸対称性がよいこと→DCキセノンランプ、DCメタルハライドランプ、ハロゲンランプ、DC水銀ランプ、白熱ランプ
  • ⑦連続点灯が可能なこと→DCキセノンランプ、DCメタルハライドランプ、ハロゲンランプ、DC水銀ランプ、白熱ランプ
  • ⑧寿命が長いこと→DCキセノンランプ、DCメタルハライドランプ、ハロゲンランプ、DC水銀ランプ、白熱ランプ
  • ⑨メンテが容易なこと→DCキセノンランプ、ハロゲンランプ、白熱ランプ

前述の通り映写機用光源として、DCキセノンランプ、DCメタルハライドランプ、ハロゲンランプ、水銀ランプ、白熱ランプが候補に上げられる。この内、DCキセノンランプは①から⑨の、④を除く8項目を満たしている。

さて、ビデオに駆逐されたのか8mm映写機は今日ではほとんど見かけなくなった。また“2.3.3”「最近の映像施設の動向と光源」で触れる、フィルムを使用しないまったく新しい世代の映写装置の登場とともに、16mm映写機もうかうかできなくなってきている。前置きはこれまでとして、8mm映写機にはダイクロイックミラー(コールドミラー)付ハロゲンランプや白熱ランプ、16mm映写機にはDCキセノンランプが使用されている。35mmフィルム以上の映画館用、劇場用の映写機には、必要とされるスクリーン上照度の面から、上記9項の内8項目を満たすDCキセノンランプが主に使用されている。

(5)映写機用光源に要求される特性

上記の通り、映画館用映写機の光源に要求される9項目を最も多く満たすのは、現存するランプのなかでは、DCキセノンランプである。したがって、ここでは映画館向け映写機用DCキセノンランプに要求される諸特性について、それをいかに実現するかというキセノンランプメーカとしての当社の視点から概括する。以下では“DC”は省く。

①演色性の良いこと

キセノンランプは主にキセノン発光を利用する。その発光スペクトラム(分光分布)は可視光領域では太陽光のそれに良く似ているが、近赤外領域では可視部より強い輝線放射が存在し、太陽光のそれにはあまり似ていない。この近赤外放射は、キセノン発光に必要な自由電子が電場により加速・減速される際に生ずる制動放射に起因するから、取り除くことが原理的にできない。この近赤外放射を含めたキセノンランプ出力光がそのままフィルムに投射されると、フィルムに過剰な熱負荷を与えることになり、ひいてはフィルムが焼けてしまう。したがって、この近赤外放射は映写機サイドで、熱線透過なりの処理を施した集光鏡(コールドミラー)を使用するなり、赤外線吸収フィルターを使用するなりの対応をしていただかねばならない。

こうしてフィルムに投射され、フィルムを経た光を映写レンズ系によりスクリーン上に連続的に映写するのが映写機なのであるが、スクリーン上に映写された光がスクリーンにより反射され観客の眼に入るわけである。人間の眼は昼間に太陽光にさらされるという条件下で進化し、発展してきたものにほかならないから、太陽光に近いスペクトラムを持ったキセノンランプの光は映写機にはうってつけの、演色性が良い光源ということになる。なお、現在では当たり前のカラー映画の場合にこの点が大きく効いてくる。

このキセノンランプの演色性を確保するために、キセノンガスをランプ入力に応じた必要ガス圧(ガス量)で、許容される公差内に収まるように封入することがキセノンランプの重要工程の一つなので、それに応じた管理が当社ではなされている。

②点光源に近いこと─輝度が高いこと

キセノンランプのキセノンからの発光は極間でなされる。極間に発生するアークの長さ、つまりアーク長は極間距離よりやや長くなるものの、極間距離により決定される。したがって、極間をなるべく小さくすることが点光源に近づけることにつながるが、実際極間はランプ入力により4mm程度(入力500Wクラス)から15mm程度(入力10kWクラス)にわたっている。一方、アーク輝点が陰極先端近傍に存在するので、映写距離が十分長い映画館用映写機用途では、集光鏡や映写光学系の設計上ほぼ点光源と見なしうる。しかし、現実的には極間が長くなるほど、アークの輝度分布を考慮することが正確な設計には必要となる。なお、極間が4mmから15mm程度の範囲にあるのは、ランプ入力、ランプ寿命との兼ね合いからである。ランプ入力に比し極間を極端に短くすると、ランプ寿命もまた短くなるので、それにも限度がある。ランプに期待される寿命の範囲内で、できるだけ極間を短くし輝度を高くしたランプを開発する努力が必要に応じて当社ではなされている。

③確実に始動し、安定に要する時間が短いこと

キセノンランプの安定時間は映写機用途では充分短いので、確実に始動することについて以下にのべる。現在の映画館は、照明の点滅、スクリーン幕の上げ下げ、映写機の始動などを含めた一連の動作が自動化されていることが一般的になってきている。したがってキセノンランプが確実に始動する必要がある。キセノンランプが保証時間内に確実に始動しなくなることを「点灯困難」不良、全く始動しなくなることを「不点灯」不良と映画業界、映画器材業界、ランプ業界では称している。合わせて「点灯不良」あるいは「点灯性不良」という呼び方もされている。これらの点灯困難や不点灯不良は、ランプ口金内の電気的接触の劣化、電源側の問題などを除けば、陰極からの熱電子放出がうまくいかなくなることに主に起因する。この熱電子放出が保証時間を通し安定して行われるよう、当社では陰極の材質や加工工程の管理を日常的に実施するとともに、更に改善すべく努力を続けている。

④発光効率の高いこと

ランプの発光効率(Rm/W)は、ランプの全光束(Rm)をランプ入力(W)で割った値である。キセノンランプの発光効率は、ランプ入力が高くなるにつれ高くなる傾向があり、ランプ入力に応じ32~50Rm/W(500W~10kW)程度の幅がある。キセノンランプの価格は、通常ランプ入力が高くなるにつれ高くなるが、映写機により熱負荷で許容されかつ映画館の経営面で許容される限り、必要な範囲で入力の高いものをなるべく使用したほうが良いことになる。なお、このキセノンランプの発光効率は、ハロゲンランプの26~29Rm/W(500W~10kW)程度とメタルハライドランプの72~85Rm/W(125W~575W)程度の中間であり、この点ではメタルハライドランプの方が格段に優れていることが分かる。

⑤出力が安定していること

キセノンランプの光出力が安定しているということは、数分から数時間の比較的長時間に発生する光出力変動(ドリフト)が小さいことと、数ミリ秒から数秒の比較的短時間に発生する光出力変動(フリッカ)が小さいということを意味している。映写機用の場合、後者のフリッカが小さいことが重要である。フリッカは電源出力のリップルにも左右されるが、ここではそれを度外視しランプ自体に起因するフリッカを取り上げる。キセノンランプの光出力がフリッカを引き起こすと、それが映写機の投影光学系で拡大され、スクリーン上に投影される。フリッカの程度や起こり方に応じて、スクリーン上の画面全体が揺らいだり、画面中心や画面の四隅が揺らいだりする現象がおこる。それらが著しい場合、観客から苦情を出されることがあるが、通常映写技師あるいは映写担当者が目視で判断している。

このフリッカは、キセノンランプの陰極からの熱電子放出が比較的短時間内で不安定になることやアーク輝点が移動することは、キセノンランプ内のガス対流の乱れに起因している。当社では、前者に対しては、熱電子放出が短時間内でも安定しかつアーク輝点の移動が極力抑えられるよう、陰極の材質や加工工程の管理を日常的に実施するとともに更に改善すべく努力を続けている。後者に対しては、ガス対流の乱れを極力抑えうる電極形状や構造を採用したり、アーク輝点をランプ内の適切な部分に配置することなどにより対応しており、今後も改善努力を継続していく。

⑥出力の光軸対称性が良いこと

キセノンランプの光出力が光軸対称性から外れていたり、使用中に外れてくると、映写機の光出力の光軸対称性も外れ、結果的にスクリーン上の映像の明るさの対称性や一様性がくずれてくる。したがって、光出力の光軸対称性がキセノンランプに求められる。

光軸は、陰極側口金先端の中心から陰極先端と陽極先端の中心を経て、陽極側口金先端中心を通る中心軸を言うが、設計上は一直線となる。この設計中心軸に許容公差範囲内でこれらのランプ各部が乗るようにキセノンランプを製造することで、この光軸対称性を実現できる。製造上特に重視されるのが、陰極口金先端中心からの陰極先端と陽極先端の位置関係が正しくきちんと光軸に乗ることである。陰極側口金から極間中心、場合により陰極先端中心までの距離を、光中心距離(LCL=Light Center Length)と言うが、これを基準に装置側の光学系が通常設計され、かつキセノンランプの支持、固定が通常陰極側口金でなされるからである。当社では、これに対応するため、当該の工程でビデオカメラを用い、陰極先端と陽極先端の位置をモニタするなど、格別の配慮がなされている。

また、光軸対称性はキセノンランプの発光管の形状と厚さの一様性が確保されないと実現できない。これらの点でも当社では格別の配慮がなされているのは言うまでもない。さらに、キセノンランプ使用中に陰極と陽極それぞれの材料が不均一に変形したり、蒸発していったりすると、光軸対称性が失われることになる。したがって、この点でも当社では格別な配慮と継続的な改善努力が行われている。

⑦連続点灯が可能なこと

キセノンランプは連続点灯が可能なように熱設計面で充分配慮がなされている。しかし、使用される石英ガラスやタングステンといった材料それぞれに固有な特性やランプの構造面から、発光管や口金各部の許容上限温度が存在する。この許容上限温度が守られるよう、各映写機メーカに冷却系をご設計頂くとともに、各映画館に対しても冷却系が常時正常に動作するようお願いしている。それと同時に冷却系の不可を抑えるべく、これらの許容上限温度を少しでも下げられないか、当社は研究努力を継続している。

⑧寿命が長いこと

当社のキセノンランプカタログには、品種毎の平均寿命(品種により500~2000時間)を記載するとともに「寿命とは次の➊、➋のいずれかが発生したときをいいます」と記載している。

➊水平放射照度または全光束が初期の70%になったとき。

➋点灯不能になったとき。

  • ➊が発生する主な要因は、陽極材料のタングステンが蒸発し発光管内表面に付着すること(スパッタリング)により発光管の可視光透過率が下がることである。保証時間内にこのようになることを関連業界では黒化不良と通常称している。当社では、それを極力抑制するよう陽極の最適設計に努め、タングステン材質および加工工程を日常的に充分管理している。
  • ➋が発生する要因にはすでに述べた不点灯不良と点灯困難不良があるが、シール部不良は現象的には不点灯不良となってあらわれる。このシール部不良には色々なモードが存在するが、それらの主な要因は石英ガラスなどの材料に発生する熱歪みである。当社では、この熱歪みの発生を極力抑えるべく、シール部構造に格別の配慮と加工上の工程管理を充分に行っている。

実は、上記の➊と➋以外にキセノンランプが寿命に達する要因には、発光管の破裂不良が存在する。当社の長年の努力により、保証時間内の破裂不良はほぼ撲滅されている。破裂不良に至る主な要因は、キセノン発光スペクトラム中の短波長紫外線により発光管に使用されている石英ガラスに歪みが発生することである。この紫外線による歪みの発生メカニズムについてはここでは割愛するが、発光管に使用する石英ガラスに特殊な処理を行うことにより、この歪みを抑制できるので、そういう配慮を当社では実施していることのみを記しておく。

なお映画館のキセノンランプ使用時間は世界各国それぞれの国に特有な慣例により異なる場合があるので、一概には言えないが、少しでもランニングコストを下げるためにできるだけ長く使用する傾向がある。したがって、当社としてもキセノンランプの平均寿命を少しでも長くできるよう日常的に改善の努力を行っている。

⑨メンテが容易なこと

光源としてのキセノンランプ単体は比較的安定しており、その電気的、機械的、熱的点灯諸条件が整備されていれば、映画興行上妥当な長期間の使用が可能である。逆に言えば、映写機側のこれらの諸条件を定期的にメンテすることが、キセノンランプを長時間にわたりご使用頂く秘訣である。以下にそれぞれの点灯諸条件の必要とされる主なメンテ項目についてのみ述べる。

電気的点灯条件:

  • ・始動装置(イグナイタ)の出力が劣化していないか。
  • ・安定器(バラスト)の出力が劣化していないか。
  • ・ランプへの配線がゆるんでいないか。

機械的点灯条件:

・ランプの支持、固定が緩んでいないか。→ランプが映写機の光軸上にあるか。

熱的点灯条件:

  • ・ランプの口金が変色していないか。
  • ・冷却用ブロワーが劣化していないか。→必要とされる風量、風速が出ているか。
  • ・フィルタなどに目詰まりはないか。

以上、キセノンランプメーカの立場から、映写機用光源としてのキセノンランプに要求される特性について主に述べたが、映画観客と映写機メーカ各位のご要求を充分網羅しきれておらず、かつ表現に不適切な点もあるかもしれない。そういう点があれば、率直なご指摘をお願いしたい。

(南雲秀夫)

2.3.2 映写機用光源の変遷

映写機用光源の変遷について記すためには、結局映写機発達の足跡をたどらねばならない。それは一個人には膨大な作業量と時間を要することになり、一筋縄には行かない。幸い、社団法人 日本映画機械工業会が1995年11月に上梓した、口石弘敬著「シネマ100年技術物語」という映画機材関係の商売に携わる方にとっては必読と言ってもいいほどの大変貴重な労作が存在する。そこで本項ではその労作の映写機と大型映像装置の発達に関する部分を参考にしつつ、日本における主に映画館向け35mm映写機用、16mm映写機用および大型映像装置の光源の変遷について述べていくことにする。また要所要所で日本の映画館数の推移についても触れ、現在の映画館と映画の置かれた状況が、過去との対比で比較的容易に理解しうるように心がけることにする。

(1)白熱電球、ライムライト、カーボンアークの時代─明治時代

<サイレント映画の黎明期>

1879年(明治12年)にエジソンが白熱電球を発明した。その16年後の1895年(明治28年)にルミエール兄弟がシネマトグラフという装置を使って、パリ市の「サロン・アンディアン」という劇場で、布製スクリーンに映画を初めて映写して見せた。このシネマトグラフの光源は白熱電球であった。面白いもので“ルミエール”と発音されるフランス語の単語は手元の和仏辞典では1つしかないが、第1番目の意味は「光、光線」である。単なる偶然なのか、それともこの兄弟がその姓から「光、光線」を用いて何か発明しようと考えていたのだろうか。さて、このシネマトグラフを見たエジソンが、1896年(明治29年)にキネマトスコープを開発した。この光源も白熱電球であった。“ルミエール”の源を発明したエジソンが、映画の面ではルミエール兄弟に先を越されたことになる。

1897年(明治30年)にはルミエールのシネマトグラフが吉沢商店によって日本に輸入され、横浜住吉町の湊座で公開された。当時の電力事情や発電機の騒音から、光源としてやむなくライムライトが用いられた。このライムライトは、水素と酸素の混合ガスを燃やし、炎を生石灰(ライム)に吹き付けると白色に発光するもので、水素の代わりにアセチレンなども使える。点火器は溶接バーナーの口火と同じ物が使われた。ライムライトというとチャップリンの「ライムライト(街の灯)」という映画を思い出される読者もおられるだろうが、こうしてみるとライムライトが街灯の光源としても使用されていたことがうかがえる。アセチレンライトは、お寺や地蔵尊や神社の縁日などで昔よく見かけられた読者もおられるだろう。

一方、エジソンのキネマトスコープは、パテントを譲り受けた会社が改造し、バイタスコープと改称したものが同1897年(明治30年)に日本に輸入され、東京と大阪でカーボンアークとライムライトで公開された。このバイタスコープが神田の錦輝館で公開された時には、なぜかきわめて原始的な光源が用いられた。それは塩酸カリと過酸化マンガンを混合したものを七輪で焼き、発生したガスをゴム袋に蓄え、このゴム袋を2~3人がかりで締め上げて圧力を上げ、ノズルからガスを吹き出させて点火した炎であったという。ガスの量に限界があるため、映写時間が短く画面もほの暗かったそうである。現代の感覚からすれば、まことに原始的かつきわめて物騒な話である。

1898年(明治31年)には、縫製用ミシンを作っていた高橋弥惣吉という人が御国工場を創設し、ミクニ映写機を生産開始した。光源はアセチレンガスを燃やすライムライトだった。その頃のフィルムは燃えやすいセルロイドで出来ていたので、ライムライトであれ前述の物騒なガスであれ、映画を上映するのは危険極まりなく、映写に携われるのも映画を見るのも、ある面で命懸けだったかもしれない。

その後1903年(明治36年)に浅草電気館をはじめに、東京・大阪などの都市部で映画館の開館がとりざたされ、1907年(明治40年)になると日本にもいっせいに映画館が誕生し始めた。2年後の1909年(明治42年)には、人口250万の東京の映画館が30館に達していた。ちなみに人口750万のロンドンには映画館がすでに600館あった。明治末期は進取の気風に満ち好奇心旺盛な時代だったのである。

(2)白熱電球、カーボンアークの時代─大正時代および昭和初期から終戦まで

<サイレント映画の隆盛、カラー化追求とトーキー映画の驀進の時代>

1914年(大正3年)になると、直流点灯カーボンアークが登場したり、効率のいいガス入り白熱電球が開発され、映写機用光源の幅が広がるとともに危険度も減ってくる。1918年(大正7年)に高密工場(後に高光工業)が、国産初のモータ駆動式映写機を作ったが、光源はカーボンアークを使用した。これは映画館向けの業務用の本格的映写機で、その後毎年モデルを更新し、1924年(大正13年)にはE型まで進んだ。こうして高光の映写機は高級機となっていった。1926年(大正15年)になると高光は500W白熱電球を使用したポータブル35mm映写機を発売した。その間、高光に引き続いてローラーという会社ができ、高光の高級機に対して、普及機を手がけた。こうして高光とローラーが大正から昭和初期の日本の2大映写機メーカとなっていった。

1927年(昭和2年)になると、娯楽中心の35mmに対して教育中心の16mmに特化した横浜シネマ商会が、国産初の手回し式16mm映写機を完成しエルモA型と命名した。翌1928年(昭和3年)には小型モータと50V250W白熱電球付きのB型を完成した。その頃は、モータもランプも国産品はなく、三菱電機にモータを、東芝にランプを新規に作ってもらい、ようやく1930年(昭和5年)に完全国産のD型を完成し、翌1931年(昭和6年)には明るい75V500W白熱電球付きのF型を完成した。このF型は光学面、機械面、冷却面で満足すべき小型映写機になり、当時一番明るい映写機として需要に追いつかない程の売れ行きとなった。この実績を背景に横浜シネマ商会は合資会社エルモ社と改称した。

“エルモ”は“ELMO”で「エレクトリック・ライト・マシン・オーガニゼーション」の頭文字をとったものである。一方、同1931年(昭和6年)前出の高密工場がミラー式ピアレスアークランプを完成し、長岡市上越線全通記念博覧会で功労賞をもらっている。これはカーボンを縦形から横位置型つまり水平に置き変え、電源が交流から直流に変わり効率がよくなったランプハウスであった。これにより以前のような15mmという太いカーボンでなくともすむようになり、陽極8mm陰極6mmのカーボンとなった。

当時はカーボンアークを使う35mm映写機と比べると、白熱電球を使う16mm映写機はスクリーンがどうしても暗かった。1935年(昭和10年)にエルモは、16mm映写機の名誉挽回をめざし、従来4本だったフィラメントを、倍の8本にしたダブルフィラメント方式75V750W白熱電球を東芝に特注し、それを光源に採用した8mm/9mm半16mm兼用映写機「躍進号」を世に送り出した。この躍進号にはエルモの総力が結集されており、国産の映画技術を世界に問う意気込みと小型映画の地位向上の悲願が込められていた。

こうしてみると、高密工場やローラのカーボンアークを光源とした映画館向け35mm映写機と、エルモの白熱電球を光源とした教育用の16mm映写機がいい意味で張り合いながらともに成長していったのが、大正、昭和初期の時代であったと言えるだろう。その後終戦を迎えるまでの約10年間は、映写機用光源の動きに目新しいものは出て来ない。カーボンが手送りでなく自動送りになるといった既存光源の改良止まりであった。日本全国の映画館数はトーキー映画の驀進とともに増え続け、1944年(昭和19年)には2,500館に達していた。しかし戦時の様々な事情により、細々とでも営業できたのはその内440館位であった。そして1945年(昭和20年)8月15日の終戦を迎えることになる。

(3)カーボンアーク、ハロゲンランプ、キセノンランプの時代─昭和20年~35年

<カラー映画、ワイド映画の隆盛の時代>

1944年(昭和19年)には全国に2,500あった映画館が、終戦時は休館を含めると1,500館に、その内営業ができた映画館は850館に激減していた。戦時に工場などに転換した映画館もあったが、米軍の空襲、空爆で破壊されたものも多かったであろう。娯楽が多種多様になった現在では想像し難いが、戦後は娯楽といえばラジオと映画ぐらいしかなかった。日本占領軍の進駐とともにもたらされた米国映画は、米国文化の香りに満ちていて国民を魅了した。

そういう状況で、1946年(昭和21年)に東京航空計器がドイツのエルネマンをモデルにニュースターという新顔35mm映写機を世に出した。1947年(昭和22年)には映画館数は1,900館に回復していた。1948年(昭和23年)にはビクター、平岡工業、三社電機がフジセントラル映写機を世に出した。戦後の映写機の販売合戦でこのフジセントラル映写機は全国シェアの60%を押さえた。残りはニュースター、ローヤル(高密工場のブランド)、ニッセイ、日本電気工業の西川氏が作った映写機、韓国の李氏が作った映写機、その他の国産映写機が押さえた。

こうして1950年(昭和25年)には映画館数が3,100館に達し急上昇期に入り、1960年(昭和35年)にピークの7,457館を迎えることになる。この終戦から1958年(昭和33年)の時期は、映画館向け35mm映写機の光源はカーボンアーク全盛であった。カーボンアークの安定器には、出力電流リップルが激しい水銀整流器が使用されていた。

1956年(昭和31年)にウシオ電機が垂直点灯方式のキセノンランプを開発していた。1957年(昭和32年)にウシオ電機とマツダ研究所がキセノンランプを世に出し、1958年(昭和33年)にはウシオ電機、日本音響精機が共同で、日本初のキセノンランプによる映画上映を新宿松竹第一劇場で実現した。この年、日本音響精機は、2kWキセノンランプ、ランプハウス、電子式映写機切り換え装置オートコンダクタ、フレックス映写機を発売している。

1959年(昭和34年)になると映画館向け35mm映写機用キセノンランプがますます世に出てくるが、水銀整流器で点灯されるとスクリーン上に明暗のフリッカが出るし、おまけに電極が過大電流で破損してしまい、ランプ寿命が短くなるという重大な問題があった。この問題は、水銀整流器をセレン整流器に交換することで解決されていくが、セレン整流器自体がセレン整流体の非封止構造のため湿気に非常に弱く、寿命が短いという問題を抱えていた。1960年(昭和35年)になると、大電流、大電圧に絶えうる寿命の長い封止型シリコン整流体が登場し、キセノンランプ用電源の道を拓いた。同年、同潤光機が3kWキセノンランプハウスを発売した。こうしてキセノンランプがカーボンアークに代わり本格的に使用されるようになっていくのである。

一方、1951年(昭和26年)に設立された常盤精機は、国内での据え付け型劇場用35mm映写機の乱売合戦、過当競争を避け、輸出をねらった白熱電球使用の重さ45kgのポータブル35mm映写機を設立早々開発した。常盤精機が狙っていたインドにこのポータブル35mm映写機が輸出されると、本来意図していた移動用ではなく、白熱電球に変えてカーボンアーク用に改造されて劇場用として使われた。その後常盤精機は1958年(昭和33年)になって標準型の劇場用トーキー映写機を作り、東南アジアに輸出し韓国、台湾ではシェア80%以上という人気を博した。ポータブルの人気もいっこうに衰えない。そこで、白熱電球をハロゲンランプに変えたモデルを1960年(昭和35年)に発売した。35mm映写機用ハロゲンランプの規格はなくランプも存在しないから、特注で作ってもらった。しかし、このハロゲンランプは明るくなかった上に、よく切れた。そこで、キセノンランプに切り換えると同時に、スタンドに乗せて劇場用の据え付け型としたのである。

こうして、映画館用35mm映写機用光源は、カーボンアークからキセノンランプに、白熱電球からハロゲンランプを経てキセノンランプに移行していったのである。「まさに時は秋、映画館数すでにピークに達したカーボンアークの全盛期、ああ果たしてキセノンランプにはいかなる運命が待ちかまえているのでしょうや? 次の細項を乞うご期待!」とサイレント映画の弁士ではないが、声をあげたくなる佳境に本項もやっと達するのである。

しかし、その前に「なぜカーボンアークからキセノンランプに移行する必要があったのか」その背景について触れておかねばならない。当時の映画用フィルムは可燃性であり、空気中で燃焼させるカーボンアークを映写機の光源として使用することは、常に火災の危険と隣り合わせであった。火災防止の点から発光部を封止したランプが求められていたわけである。更に、白黒からカラー映画の転換期にあり、色が忠実に再現でき、かつ大画面でも明るく映写できる高輝度ランプ化が時代の要請でもあった。2.3.1(5)「映写機用光源に要求される特性」でも述べたように、キセノン発光を利用するキセノンランプは、可視光部の発光が太陽光に近く、したがって演色性が良く、しかも発光効率が白熱電球やハロゲンランプより格段に優れている。このように、火災防止、演色性、発光効率の3点から、キセノンランプがカーボンアークの代替え光源として要請されていたのである。また、カーボンの寿命、つまり燃焼し尽くす時間が一般的な映画の上映時間より短く、長時間の連続上映ができないという上映上の理由、カーボンが発煙し燃えかすが出るなど、映写室の環境衛生上の理由も無視できない。

(4)キセノンランプの時代─昭和36年~昭和59年

<テレビの普及と映画斜陽化、大型博覧映像開花の時代>

1960年(昭和35年)に映画館数は7,457館になりピークを迎えたが、この年を峠に映画ブームはしぼんでいった。同年NHKと民放4社がカラーテレビの本放送を開始した。翌1961年(昭和36年)に新東宝が倒産し、映画製作を中止した。1962年になると松竹が京都撮影所を閉鎖し、新宿第一劇場を三越に売却している。

東京なら町内に何軒もあった東映系、大映系、日活系などの小さな映画館がつぎつぎと閉鎖され、跡地にスーパーマーケット、パチンコ店あるいは住居などが建設されていった。筆者が子供のころ住んでいた墨田区寺島町内の「ふる玉(玉の井映画館)」や「しん玉(新玉の井映画館)」、近辺の「大成館」や「南竜館」もそういう運命をたどっていった。そして閉鎖されずに営業を継続できる映画館は、新装備の映画館として生まれ変わっていった。その際、キセノンランプが光源としてどんどん採用されていったのである。こうしてキセノンランプが映画館向け映写機の主流となっていった。

さて、(3)に記したようにカーボンアークは水平で点灯され、カーボン自動送り機構が採用されていた。これに対して、代替え光源として出始めた頃のキセノンランプは垂直点灯方式だった。キセノンランプ後部に設置した反射鏡が、キセノンランプ後部からの光を捕捉するのだが、前面から出た光は捕捉できなかった。キセノンランプの前面にも小さな反射鏡を置き、前面からの光を捕捉する工夫もなされたが、光出力の効率的な利用の点ではまだ不十分だった。そういうわけで、放物集光鏡や楕円集光鏡で効率よく集光が可能となる、水平点灯方式のキセノンランプの開発が要請されたのである。

この水平点灯方式を可能とするには、発光管(封体)内の対流で持ち上がろうとするアークの制御技術の確立や、熱に強い集光鏡の開発が必要であった。前者は主に永久磁石による制御で解決された。また、発熱の元になる赤外線を後方に透過するコールドミラーを、山田光学工業と田村硝子製作所が1960年(昭和35年)にすでに開発していた。したがって、1961年(昭和36年)にはすでに水平点灯方式キセノンランプを世に出せる下地はあったのである。

この頃ウシオ電機はすでにキセノンランプを水平点灯していたし、日本で最初に開発した映写用キセノンランプを拡販する必要に迫られていた。一方、全国制覇なるかに見えたニチオン(日本音響精機より昭和38年に改称)が映画館の急激な落ち込みに抗しきれず1966年(昭和41年)に倒産する。ニチオンの本体、営業部門を東芝系の日本映画資材が引き継ぎ、技術部門のニチオン・エンジニアリングをウシオ電機が引き継いだ。抗して引き継いだニチオン技術部門を元に、ウシオ電機の100%出資で同年日本ジーベックス(ウシオユーテックの前身)が設立されたのである。このようにウシオ電機は、映画の全盛期が過ぎた後、カーボンアークの時代ではなく、キセノンランプの時代を拓く目的で映画界に参入したのである。

1966年(昭和41年)に設立早々日本ジーベックスが、この水平点灯方式キセノンランプを使った水平点灯キセノンランプハウスを開発した。同年試作1号機を神戸オーエス劇場に設置し、映画館用としては世界初のキセノンランプ水平点灯の快挙をなしとげた。水平点灯方式には色々な批判が続出したが、垂直型の半分の電力ですむという省エネ製品であることが評価されて、順調に普及していった。また、この年ウシオ電機は、70mmシネラマ映写機用6.5kWキセノンランプを開発している。

キセノンランプの水平点灯方式が普及し、また入力の大型化が進行するに連れ、映画館数は減少の一途をたどっていった。1960年(昭和35年)の7,457館が、1971年(昭和46年)には2,900館、1975年(昭和50年)には2,453館にまで減少していった。そういう時代背景のなか、1970年(昭和45年)に大阪万博が開催された。この時の話題は、フジパビリオンに設置された、カナダのアイマックス社の70mm15p(pはパーフォレーションの略)、史上最大の画面サイズを誇るオムニマックスという映像システムであった。

オムニマックスはアイマックスドームとも呼ばれているが、アイマックスの平面スクリーンへの映写に対し、ドームスクリーンへ映写するタイプである。アイマックスの70mm15pフィルムの画像面積は、35mmフィルムの実に10倍以上である。アイマックスやオムニマックスにより映写された画像がいかに大きいか、容易に想像がつくであろう。大阪万博で大画面の本領をいかんなく発揮し、アイマックスは日本での博覧映像の地位を不動のものにしていった。これらアイマックスやオムニマックスは、これもカナダの会社であるデューロテスト社の水冷15kWキセノンランプを通常使用光源としていた。ウシオ電機がアイマックス用の水冷15kWキセノンランプを開発するのは、様々な理由から大阪万博の実に24年後の1994年(平成6年)になってである。この点については次の細項で詳しく述べる。

次の細項に移る前に、この時期の16mm映写機とその光源についておおまかに触れておこう。1953年(昭和28年)に設立された映機工業という会社がある。ここは戦後派の視聴覚用スライド映写機・16mm映写機の専業メーカであり、したがって過去の遺産に引きずられることなく、まったく新しい発想で16mm映写機に取り組んでいた。1961年(昭和36年)になると映機工業は、ウシオ電機が開発した500Wキセノンランプをいち早く光源に採用した、EX2000型という世界初の水平点灯方式16mm映写機を世に出した。映画館用35mm映写機で、日本ジーベックスが世界初の水平点灯を成功させたのが1966年(昭和41年)だから、5年も早く16mm映写機でキセノンランプの水平点灯を実現していたことになる。同年には1kWの水平点灯キセノンランプ映写機を市民会館や大会場向けに開発している。これに対して300Wキセノンランプを搭載した小会場用のポータブル型も作った。1966年(昭和41年)には、2kWキセノンランプ搭載で6300ルックスという世界最高の明るさを実現したEX8000型を同社は世に送り出した。5年間に16mm映写用キセノンランプが300W、500W、1kW、2kWと飛躍的な進歩を遂げていた。

こうしてキセノンランプは、300Wから6.5kWまでのフルレンジを揃えるに至り、遂に16mmのみならず35mm映写機用光源の主流となっていったのである。そしてキセノンランプの中でも、水平点灯方式が主流となっていったのは言うまでもない。しかし、残念にもキセノンランプを買ってくれる当の映画館は激減していた。そういう状況で、ウシオ電機はなお市場規模の大きい欧米市場に積極的に乗り出していった。

(5)キセノンランプ、水冷キセノンランプの時代─昭和60年~現在

<複合映画館、超大型映像、テーマパーク映像展示館と映画再生の時代>

1975年(昭和50年)に2,453館にまで落ち込んでいた映画館数はさらに減っていった。1989年(平成1年)になると、遂に2,000館を割り込んで1,912館に落ち込んでしまう。現在の映画館数は1,800館程度である。欧米では何年も前から普及していた複数のスクリーンをもつシネマコンプレックス(複合映画館)が、日本でも1993年以降普及しはじめ、現在では20カ所程度ある。映画館数1,800館に対して、スクリーン数は1,900程度と推測される。なお、現在のシネマコンプレックスの建設は主に米国資本が中心となって推進している。こうして映画館と映画の再生努力が映画館業界でなされてきており、映写機材業界、ランプ業界にとっても明るい展望が開けつつある。その背景と現状については、“2.3.3”「最近の映像施設の動向と光源」でより詳しく述べるが、結局テレビやビデオに取られてしまった映画観客の取り戻しと同業間の観客確保競争が主な動機であり、その具体的方策は映画選択肢を多くし、映画観賞だけでなく飲食、買い物、その他を同時に楽しめる機会を提供することにより映画館の魅力を創造していくことである。

一方、映画館数が減少しつづけ、映画も映画機材も劇場や映画館以外にも生きる道を模索せざるをえない状況に追い込まれていた1985年(昭和60年)、筑波研究学園都市で国際科学技術博覧会が開催された。大阪万博から15年ぶりの本格的な国際博覧会であったが、そこには大阪万博以上の数の大型映像、特殊映像が採用されていた。アイマックスもアイマックスドームもあった。その光源はすでに述べたデューロテスト社の水冷15kWキセノンランプであった。この時点でもウシオ電機はまだその同等品を開発していなかった。しかしウシオ電機はすでに独自の水冷15kW、25kW、30kWキセノンランプを製造していたし、この国際博覧会以前に垂直点灯方式ならびに水平点灯方式の水冷10kWキセノンランプを完成していた。ウシオユーテック(日本ジーベックスの後身)が、三井館で滝をスクリーンとして映写する35mm映写装置に、この10kW水冷キセノンランプを光源とした世界で初めての水冷10kWキセノンランプハウスを用いた。こうして15kW水冷キセノンランプに加えて、水冷10kWキセノンランプが映写機光源としてもデビューしたのである。しかし、その後空冷10kWキセノンランプが世に出ると、冷却システムも含めて高価につく水冷10kWは活躍の場を失っていった。

その3年後の1988年(昭和63年)に高山博覧会が開催された。そこでウシオユーテックは、カナダのアイマックス社のアイマックスドームに代わりうる、米国のオムニ・フィルム・インターナショナル社の“オムニU”というドーム映写装置を日本で初めて設置した。光源はカナダのデューロテスト社の水冷12kWキセノンランプであった。ここで成功をおさめたウシオユーテックは、以後2年間にオムニUを6カ所の博物館、テーマ館などに導入していった。こうして水冷12kWキセノンランプの光源としての活躍の場が広がっていった。一方ではカナダアイマックス社のアイマックス、アイマックスドーム、アイマックス3Dがその他のテーマ館などに導入されていった。こうして、水冷15kWキセノンランプの活躍の場も増えていった。

そういう背景で、アイマックス社はデューロテスト以外の水冷15kWキセノンランプメーカを望むようになり、何度かにわたりウシオ電機に打診、接触してきたのである。デューロテスト製の15kW水冷キセノンランプの構造は、ウシオ電機の水冷キセノンランプとかなり異なっていた。その後の紆余曲折をへて、1994年(平成6年)になってウシオ電機は形状、電気特性がデューロテスト品と同等の水冷15kWを開発し世に出したのである。後発としてのメリットを出すため、ウシオ品は極間をデューロテスト品より短くしてあり、光出力はランプ単体で30%、スクリーン上で50%デューロテストより明るいという結果が、日本のあるアイマックスシアタで出たのである。1996年(平成8年)にウシオ電機はデューロテストの水冷12kWキセノンランプ同等品も開発した。こうしてウシオ電機は、大型映像装置用の10kW、12kW、15kW水冷キセノンランプを持つに至った。

こうしてみると昭和60年から現在は、映写機用光源としてのキセノンランプが10kWにまで展開され、大型映像装置用として水冷10kW、12kW、15kWキセノンランプが普及していった時代と言えよう。このことは欧米やアジア地域にも当てはまることであり、ウシオグループの出番がますます多くなってきている。

以上、明治から現代までの映写機用光源の変遷について、おもに日本における映写機メーカとその映写機の変遷をたどりながら概略を述べてきた。光源の変遷という本項の主旨から、映画機材業界を語るときに欠かすことのできない次のような諸点について今回は触れなかった。

例えば、日本での映写機や周辺機器を語るとき、ウシオユーテックが日本に紹介し広めていった、イタリーのシネメカニカや米国のクリスティを抜きには語れない。ドイツのKTVやキノトン、米国のセンチュリー、インドのシネスタといった映写機メーカもまた取り上げる必要がある。日本の映写機材業界に関連することを語るには、ウシオユーテックのみならず、東芝電興(旧東芝ホトホーン)やビクターアークス(旧ビクター音響)を取り上げる必要がある。映画館の形態としては、ドライブインシアタも考慮に入れる必要があるし、その際は日本初めてのドライブインシアタである“船橋ララポート”にまつわる話も避けては通れない。映写機の運用形態としては、1つの映画がいくつかのフィルムに分かれていたことによる映写機2台運用の必要性と、オートワインドつまりフィルム自動巻き取り機の発達による、映写機1台での運用に至る経過と光源に対する影響も重大な要素である。16mm映写機については、横河プレシジョン(旧 横河北辰電機)についても触れる必要がある。また、ウシオ電機以外の日本と海外のキセノンランプメーカについても触れ、客観的に市場における位置関係を語る必要もある。

しかし、本項でこれらに深入りすると、主旨を外れかねず、おまけにやたらと長くなるし、今回は筆者の力も時間的制約からそこまでおよびそうにないので止めておいた。これらの語りつくせなかった諸点については、また何かの機会に触れてみたい。

(南雲秀夫)

2.3.3 最近の映像施設の動向と光源

(1)最近の映画館および商業的映像施設の動向─複合化と大型化─

映画館の最近の顕著な動向は“複合化”とそれに伴った“大型化”である。何といっても映画館の大スクリーンで観る映画には、家庭で観る通常のTVやビデオにはない醍醐味がある。これは映画自体や映画館という空間が好きではない方々にとっても、容易に理解されることであろう。スターウォーズの中に、とぼけたC3PO、生真面目R2D2に守られて反乱軍のレイア姫が帝国軍より逃れていくシークエンスがある。彼らをダースベーダ指揮下の帝国軍スペースクルーザが猛烈に追いかけていく。そのクルーザが観客の頭上に迫り、巨大な威容がスクリーンいっぱいに広がる。それを予期していなかった観客はクルーザの圧倒的な存在感に威圧され、「ウヒャー」とか「アヘー」とか各人各様の奇声を発しつつ、仰天しそして心ときめかせるわけである。まさに映画の醍醐味が感じられる一瞬である。SFであれ、アドベンチャーであれ、何であれ大スクリーンでみてこそ初めて心から堪能できるのが映画なのである。むしろ映画製作者が観客獲得のためにそれをますます意図してきている、と言うべきかもしれない。また、大きなスクリーンで観る楽しさだけでなく、数ある映画の中から観たいものを選択する楽しさや、映画を見ながらエンジョイできる飲み物や食べ物を買ったり、ゲームをしたり、食事をしたり、果ては買い物をしたりという多様な楽しみを与えてくれるのが複合化なのである。

さて、複合化、大型化された映画館は、英語圏の映画業界では「シネマコンプレックス」、「マルチスクリーンコンプレックス」、「マルチプレックスシネマ」、「メガコンプレックス」などのことばで表現されている。これらの用語をすでに新聞や雑誌などでご覧になった方も多いだろう。いずれも英語の複合語で使用法、レベルに違いはあるものの、複数のスクリーンと客席を持っており、場合によっては店舗やその他の娯楽施設を併設した大規模映画館をさしている。21のスクリーンと6,300の座席をもっている映画館も米国には存在し(写真2-1)、そういう映画館が特別な存在では無くなってきている。一方、日本では「シネマコンプレックス(複合映画館)」としている例が新聞紙上散見される。英語の多様な用語に比べると国語では用語はまだ限られている模様で、欧米と比較して複合化、大型化がまだ発展段階にあることに対応しているものと推測される。大型化は映画館の建屋の高さ、床面積、容積、座席数のみならず、正にスクリーンの大型化をも意味している。典型的な大型スクリーンの幅は、18m、21mといったものであり21mを超すスクリーンも存在する。読者の中には、すでにそういう複合映画館で映画を楽しんでおられる方々もおられるであろう。

この複合化と大型化は、すでに述べたような過程でのテレビ、ビデオなどを楽しむ家庭派の方々を取り戻しかつ同業者から効果的に奪うために、より多い選択肢、より良い体験、楽しさ、醍醐味などを観客に与え、同時にスクリーン当たりの建設費、維持費を低減し収益の向上を図る、という興行商売上の動機に根ざしている。美辞麗句なしに有り体に言えば、もっと客を集めてもっと効率的に金を儲けようということである。言うまでもなく、これは競争にさらされている、つまり競争原理が貫徹する経済活動のすべてに共通していることであり、極めて当然なことなのである。したがって、映画観賞に付随し多様な飲食機会などを合わせて提供するのが通常である。また、ショッピングセンタ、エンターテイメントなどとのより大きなレベルでの複合化を行い、その相乗効果によってより一層の集客力を目指すという傾向もますます顕著になってきている。読者のお住まいが都市近郊なら、すでにそういうメガコンプレックスで映画やショッピングを楽しんでおられるかもしれない。まだの方々にも、そういう機会がここ数年でやってくるのではないだろうか。外資系(米国資本)あるいは外資との合弁シネマチェーンによる、複合映画館の建設計画がそれほど日本に存在するのである。

さて、映画館の他に大型2D/3D映像によるエンターテイメントを提供する屋内映像施設の増加が欧米、アジアで顕著になってきており、それらはテーマパーク内のものおよびエンターテイメント施設内のものと大まかに分けられる。読者の中には、そういうものを「……博覧会」とか「……パーク」とか「……ランド」ですでに楽しんだことがおありかもしれない。これらの施設には、音響映像に加え物理的運動を観客に与える特別な機構によって、通常では体験出来えないことがらを観客に疑似体験させ、より一層の興奮、緊張感、満足感をもたらすべく企画、設計されているものも存在する(写真2-2)。また、屋外施設としては、水を高速に噴霧させることによってスクリーンとして映像を出現させるいわゆるウォータースクリーン上に映像を投影し、音響効果と合わせて夢幻的、驚愕的、感動的感覚などを提供するものも顕著になってきている(写真2-3)。これらの動向は、一部の公的機関のものを除き、映画館の場合と同様にやはり観客確保、増大という興行商売上の動機に根ざしているようである。

ところで、映画館も大型2D/3D映像施設も、フィルム上の連続画像をスクリーン上に投影するという古典的映写手段の点では本質的に何ら変わるところがない。その他の、つまりフィルムを用いない映像デバイスとしてCRT(カソードレイチューブ=ブラウン管)、LCD(リキッドクリスタルディスプレイ=液晶ディスプレイ)、LCLV(リキッドクリスタルライトバルブ)、DMD(ディジタルマイクロミラーデバイス)、PDP(プラズマディスプレイパネル)、油膜バルブ、なとが存在するが、数年前よりCRTとLCLVを同時に用いたプロジェクタやDMD(ディジタルミラーデバイス)を用いたプロジェクタがスクリーン上照度の高さ、スクリーン幅拡大の可能性などから脚光を浴びてきている。CRTやDMDの解像度が上がっていけば、興行用途も追究されようし、今後展開がどうなるか楽しみな分野である。

一方、従来のTV画面よりはるかに大きいスクリーンに投影できるLCDプロジェクタを、ホームシアタというような触れ込みで家庭派の心をつかもうとする動向が家電業界に出てきている。映画館ほどではないにしろやはり大スクリーン、大画面でユーザに訴求しているのである。結局、家電業界が、映画物はできるだけ大きいスクリーンで見たほうが醍醐味がある、と認めているようなものである。スターウォーズの第四部(二作目)ではないが、「家電業界ストライクスバック」とでも言おうか。つまり映画業界と家電業界がそれぞれ置かれた環境、条件で独自性を発揮しながら、観客の掴み合い競争をしているわけである。映画業界もうかうかできないわけである。とにかくそういう競争を通して、国民が自分の好みに合わせて選択可能な、多様で優れた娯楽手段、媒体が提供され、国民の精神的、文化的生活向上に寄与していくのは良いことである。家電業界の健闘が、実は当社のグループにとっても好ましいことになる。願わくば、家電業界と映画業界の双方が同時に成長していくことが望まれる。

写真2-1

写真2-2

写真2-3

(2)光源の動向

映画館の映写機用光源は、一部の国々では今なおカーボンアークが使用されているが、取り扱い、環境上より優れている空冷DCキセノンショートアークランプが一般的である。以下では便宜上「空冷DC」の部分を省いて話を進める。

映画館の場合、映写機アパーチャ光出力がその映写角度内でほぼ均一に調整されており、かつスクリーンへの投影距離がアパーチャより十分大きいので、アパーチャ出力を点光源と見なすことができる。したがって、同一の映写機光源と光学系について、「距離の逆二乗の法則」が適用できる。つまり、投影スクリーンサイズ(m2)は投影距離(m)の二乗に比例し、スクリーン上照度(lx)は光源、この場合映写機光出力の光度(cd)に比例しかつ投影距離(m)の逆二乗に比例する。観客が映像を見る際に必要なスクリーン上照度には一定の幅があるが、それは結局映写機光源の光度と映写距離、結果的にはスクリーンサイズの2つの要素を、映画館の建設条件に応じて適切に組み合わせることにより達成される。キセノンランプの場合、その光度はランプ電圧、ランプ電流および極間距離により決定される。ランプ電圧、ランプ電流は極間距離、封入キセノンガス圧に依存するのだが、その依存関係はここでは詳述しない。ランプ電圧とランプ電流の積がランプ入力であるが、キセノンランプの光度はこのランプ入力にリニアにではないが比例する。此の面から映画器材業界では、映写距離つまりスクリーンサイズに応じて、使用するキセノンランプの入力を決定し、それに応じたキセノンランプが選定されるのが通常である。

したがって、映画館用の空冷キセノンショートアークランプは、実際の映画館の多様な映写距離すなわち様々なスクリーンサイズに応じ、入力が500Wから700W、900W、1kW、1.6kW、2kW、2.5kW、3kW、3.6kW、4kW、4.5kW、5kW、6kW、7kW、10kW(写真2-4)と多岐にわたるものが使用されている。最も使用されているものは2kWから3kWクラスのものであるが、複合化、特に大型化に伴って6kW、7kWクラスの需要が増えつつある。また10kWクラスのの需要が増える兆しがある。これらのキセノンランプは点灯位置により、垂直点灯方式と水平点灯方式の2種類が存在するが、楕円型集光鏡と水平点灯方式ランプを組み合わせることにより、垂直点灯方式の場合より集光効率を上げることができる。したがって、水平点灯方式が現在の主流となっている。また、水平点灯方式キセノンランプの光中心距離(通常陰極側口金端部から極間中心までの距離)を同一入力通常品より短くした水平短寸法(ホリゾンタルショータ)ランプと、焦点の深い楕円型集光鏡と組み合わせることで、より集光効率を上げることができる。したがって、このホリゾンタルショータランプが水平点灯方式の主流となりつつある。

なお、現在では空冷キセノンショートアークランプの最大入力は10kWであり、これが限界とランプ業界で言われている。実際のところ、現存する10kWを超えるもの、具体的には12kW、15kW、20kW、25kW、30kW(写真2-5)キセノンショートアークランプはすべて水冷タイプである。ちなみに水冷するのはランプの外部でなく、陰極と陽極の内部である。

大型音響2D/3D映像施設用の光源はスクリーンサイズに応じて4kW、7kW、10kWクラスの水平点灯方式空冷DCキセノンショートアークランプ、12kW、15kWクラスの水平点灯方式水冷DCキセノンショートアークランプが使用されている。3D用は主に入力15kWのものが、左右両目用に同時に2本使用されている。現存する装置は入力15kWの水冷キセノンショートアークランプを使用するものが最大であるが、15kWの入力からより大きい可視光出力を取り出し、かつ使用光学系の集光効率を上げスクリーン照度を上げるため、アークギャップを狭めたランプを当社が提供し好評を博している。これら施設のさらなる大型化が必要とされる場合には、ソーラーシミュレータ、アークイメージファーネスなどの研究、開発目的装置用の当社の水冷25kW、30kWキセノンショートアークランプやその水平展開品が、施設、装置メーカにとって一つの選択肢となろう。

CRT、LCD、LCLV、DMDなど用の光源については他の章で詳述されるであろう。ここではCRTとLCLVを用いたプロジェクタ用光源についてのみ簡単に触れておく。その種の一部のプロジェクタには1.6kW、2kW、2.5kW、3kWクラスの空冷キセノンショートアークランプが現在使用されているが、大型化に伴って将来的には6kW、7kWクラスも使用されていくことになろう。

こうしてみると、空冷、水冷を問わず今後入力の大きいキセノンショートアークランプの需要がますます増えていくものと予測される。キセノンランプも製造販売しているウシオ電機グループにとっては大変ありがたいことである。当然、この業界にも競争が存在するので、QCDの面で競争相手より格段に優れたキセノンランプをユーザに供給すべくウシオグループは努力してきており、今後もそうしていくことになる。

(南雲秀夫)

写真2-4 ウシオ製10kWキセノンショートアークランプ(UXL-10000)

写真2-5 世界最大級のウシオ製水冷30kWキセノンショートアークランプ(UXL-30000S)

2.4 ソーラシミュレータへの応用

人類最初の人工衛星は1957年に旧ソビエト連邦が打ち上げたスプートニクである。それ以来、米ソの開発競争もあって、人工衛星は急激な発達を遂げ、今や通信、衛星放送、天気予報、ナビゲーションシステムなどに広く応用され、私たちの日常生活と切り離せない存在となった。

人工衛星は、ロケット打ち上げ時の音響・振動に始まり、大気圏外での公転軌道でも、さまざまな過酷な環境にさらされる。その時代の最先端技術を搭載した人工衛星は、打ち上げ費用はもとより、衛星本体も高額の費用を要する。現在ではスペースシャトルでの回収修理も不可能ではないが、やはり通常は、ひとたび打ち上げてしまえばほとんど修理はできない。そのために人工衛星開発時には、地上においてさまざまな環境試験が十分に実施され、その信頼性が確認される。その環境試験のひとつが、宇宙における熱と真空環境についての信頼性試験を行う熱真空試験用設備である。

人工衛星は宇宙空間において太陽光や、アルベドと呼ばれる地球からの幅射を受けて加熱される。一方、その裏側の陰になった部分は部分はほとんどまったく幅射熱の入射がなく、またさらに、真空であるために、周囲のガス対流による熱の移動がなく、冷温の環境にさらされる。ガス対流の影響もない一方的に冷却される環境にさらされる。

このような宇宙での熱真空環境を提供するのが、スペースチェンバと呼ばれる熱真空試験用設備である。この設備は真空環境1)をつくる真空容器と、衛星の自己汚染防止と熱的暗黒条件をつくるためのシュラウド2)、そして、加熱源となるソーラシミュレータ(疑似太陽光)およびアルベドシミュレータ3)から構成される。

ところで、放電ランプのなかで、キセノンランプはその分光分布が太陽光に良く似ていることから、この設備のなかの太陽の部分つまり、ソーラシミュレータの光源として使用されている。

近年、ソーラシミュレータは、太陽光発電用の太陽電池評価用としても使用されるようになったが、ここでは人工衛星試験用のものについて記述する。

2.4.1 ソーラシミュレータの歴史

ソーラシミュレータは、1959年ごろからアメリカにおいてNASAを中心として開発が始まり、アメリカの宇宙関連機関に、各種のソーラシミュレータが建設された。なかでも最大規模のものはJPL(ジェット推進研究所、Pasadena, Calif.)に建設された直径4.5mのソーラビームを照射できるもので、光源として20kWキセノンランプを37灯使用しているソーラシミュレータである。

日本では1965年頃から東京大学宇宙航空研究所(現文部省宇宙科学研究所)、郵政省電波研究所(現宇宙開発事業団が継承)をはじめ、関係企業でもソーラシミュレータによる熱真空試験が行われていた。当時は、最も大型のものでも直径800mmのソーラビームを照射できる6.5kWキセノンランプを3灯使用したものであった。しかし、1969年に世界最大級の30kWキセノンランプが当社によって開発され、1970年にはそのランプを光源とした、1灯式でソーラビーム直径1mのものが、東大宇宙航空研究所に納入された。この装置は、ほぼ30年を経た現在もなお運用されている。

一方、宇宙開発事業団は、筑波研究学園都市に、筑波宇宙センタを開設したのを機に、前述のアメリカJPLのものと同規模の大型のスペースチェンバを建設する計画を立てた。わが社でも1972年頃から、このスペースチェンバのためのソーラシミュレータの建設計画に参加した。ソーラシミュレータの規模は、前記の30kWキセノンランプを19灯使用した、ソーラビーム直径4mのものであり、最大放射照度は地球付近のほぼ2倍の放射照度が得られる。このソーラシミュレータに使用された、直径5mのアルミ製コリメーティング鏡をはじめ、主要光学部品は当社の基本設計に基づき、JPLで実績のあったアメリカで製造し輸入された。スペースチェンバは、直径8.5m、高さおよそ25mあり、専用の高層建屋内に建設されており、完成は1975年であった(設備の概要を図2-10に示す)。

また、この14年後の1989年には人工衛星の大型化に対応して、1号機と同じ19灯式であるが水平点灯型の30kWキセノンランプを使用した、ソーラビーム直径6mのソーラシミュレータが同一敷地内に完成した。筑波宇宙センタでは現在、完成後23年を経た第1号機も含め、新旧2機の大型スペースチェンバが人工衛星の熱真空試験に供されている。

図2-10 宇宙開発事業団大型スペースチェンバ用大型ソーラシミュレータの概要

2.4.2 ソーラシミュレータに要求される仕様

ソーラシミュレータに要求される性能は、太陽光とできるだけ同質の光を供給することである。

地球を周回する人工衛星の試験を目的とする場合、模擬太陽光は地球付近の太陽光の特性を備えていなければならない。それらの特性には、下記のようなものがある。

(1)放射照度

放射照度は太陽からの距離に依存するが、地球の平均公転軌道上では1400W/m2である。環境試験上、試験体の到達温度に直接影響する。

(2)放射照度均一度

放射照度の場所的な均一性を表すもので、通常扱う試験体の大きさの範囲では全く均一といってよい。

(3)サブテンス角

人工衛星から太陽を見たときの視野角を表わし、±16分(全角32分)である。

(4)分光分布

大気圏外の太陽光分光分布(図2-11)は、大気の影響を受けないため、地上のものとは異なる。代表例として Jhonson Curve、Nicolet Curve等で示される。

図2-11 大気圏外太陽光とキセノンランプの分光分布比較

(5)放射照度安定度

放射照度は、太陽の活動より、年間最大3.5%程度の変動がある。

(6)輻射による相互作用

太陽と人工衛星との間は太陽からの一方的な照射があるが相互作用はない。

ソーラシミュレータはこれらの特徴をなるべく忠実にシミュレーションする機能を備えれば良い訳であるが、技術的な困難さや、試験体の形状、熱試験という目的から、すべてを忠実にシミュレーションする必要はなく通常の実用的な仕様は下記に示す通りである。

  • ①放射照度:1400W/m2
  • ②放射照度均一度:±5%以内
  • ③サブテンス角:±1.5deg
  • ④分光分布:キセノンランプ放電スペクトルまたはAM-0近似
  • ⑤放射照度安定度:±1.5%/Hrs

なお、スペースチェンバ内における相互作用の防止対策としては、

1. コリメータ鏡と試験体との間はコリメータ鏡を-100°C程度に冷却するとともに、さらにBlack Space Condition1)を満足する範囲を試験空間とする

2. スペースチェンバ内壁と試験体との間は内壁を極低温(約100°K)に冷却したシュラウドで囲む

等の手段を講じている。

2.4.3 ソーラシミュレータ用光源

ソーラシミュレータの光源としては、ほとんどの場合、キセノンショートアークランプが使用されている。

理由は、

  • (1)800nm以上の赤外部に大きなピークがある他は、太陽光の分光分布に似ていること(図2-11参照)
  • (2)高輝度であること
  • (3)安定していること
  • (4)動作範囲が広いこと
  • (5)長寿命であることなどが挙げられる。

1969年に世界最大級の30kWキセノンランプが開発されるまでは、6.5kW以下の中小型のキセノンランプが使用されていた。しかし、このクラスのランプでは大面積のソーラビームを得るためには光学技術的に困難があり、30kWのキセノンランプが開発されることによって初めて、より実用的で大面積のソーラシミュレータが実現可能になった(図2-12)。人工衛星の大型化に対応した前述の宇宙開発事業団の大型スペースチェンバ用ソーラシミュレータは、このランプを19灯、光源として採用している。このランプの最大の特徴は、大電流に耐えるように、電極内部が冷却効率の良いフィン構造を形成しており、純水で水冷されている点である。おもな性能は下記のとおりである。

  • (1)定格入力:30kW
  • (2)定格電流:660ADC
  • (3)定格電圧:45VDC
  • (4)電極間隔:12.5mm
  • (5)発光効率:50%
  • (6)冷却水流量:900r/h(純水)

図2-12 30kWキセノンランプ外観図

2.4.4 光学系・・・・平行光型、発散光型

ソーラシミュレータの標準的な光学系を図2-13に示す。

光学系の構成は基本的に

  • (1)光源
  • (2)集光鏡
  • (3)インテグレータ
  • (4)分光補正フィルタ
  • (5)コリメータ

から成る。

図2-13 ソーラシミュレータの基本光学系

(1)光源

光源は2.4.3で記述したように、その特徴からキセノンショートアークランプが使用される。このランプは電極間隔が数mmから30kWランプで12.5mmであり、配光分布はランプ軸に対して対象である。30kWランプの外観図および配光特性を図2-12および2-14に示す。

図2-14 30kWキセノンランプの配光特性

(2)集光鏡

ランプの配光分布がランプ軸に対して対象であることから、その光を効率良く集光するために、回転楕円体のミラーを集光鏡として用い、集光鏡とランプの軸を共有して配置する。また、ランプアークは集光鏡の第1焦点に置き、光を第2焦点に集光する。集光鏡の材料は中小型のランプの場合、ガラス製を用いるが、30kWランプの場合は熱負荷が大きいためアルミなどの金属製を用い、水冷する。

(3)インテグレータ

石英ガラスで作られ、いずれも複眼レンズ構造をした、コンデンサレンズ素子群とプロジェクションレンズ素子群が対向して配置されている。インテグレータの機能は、集光鏡によってコンデンサレンズ素子群上に集光された光をそれぞれ対向するプロジェクションレンズ素子によってコリメータ上に投影するものである。投影された各々の光の照度分布は対象であるため、照射面(コリメータ上)で積分された放射照度の分布は均一となる。原理を図2-15に示す。太陽光の重要な特徴のひとつである均一な放射照度は、インテグレータによって得られる。また、このインテグレータの直後にはアウトプットレンズと呼ばれる凸レンズ石英ガラスで作られ、いずれも複眼レンズ構造をした、コンデンサレンズ素子群とプロジェクションレンズ素子群が対向して配置されている。インテグレータの機能は、集光鏡によってコンデンサレンズ素子群上に集光された光をそれぞれ対向するプロジェクションレンズ素子によってコリメータ上に投影するものである。投影された各々の光の照度分布は対象であるため、照射面(コリメータ上)で積分された放射照度の分布は均一となる。原理を図2-15に示す。太陽光の重要な特徴のひとつである均一な放射照度は、インテグレータによって得られる。また、このインテグレータの直後にはアウトプットレンズと呼ばれる凸レンズ

図2-15 インテグレータによる放射照度分布改善の原理図

(4)分光補正フィルタ

キセノンランプの分光分布はその可視光部分では太陽光と良く一致しているが波長800nm以上では非常に強いエネルギーがある。(図2-11参照)おもにこの部分を補正し、大気圏外の太陽光分光分布に補正し、近似させるのがこの分光補正フィルタである。このフィルタは大型のものの製作が困難であることから光学系のなかで最も小さく集光され、ビーム面積が小さいインテグレータ付近に配置されることが多い。

(5)コリメータ

コリメータはインテグレータから照射された発散光を平行光に変換するものであり、レンズを用いる場合と凹面鏡を用いる場合がある。(図2-13参照)いずれの場合もその焦点をインテグレータのプロジェクションレンズに一致するように配置し、平行光を得る。また、コリメータからインテグレータを見込む角がサブテンス角となり、太陽では±16分である。しかし、ソーラシミュレータの場合、光源の輝度や試験空間での要求放射照度から通常±1.5°程度が実用的である。

また、凹面鏡を用いた場合、通常、平行光はインテグレータの方向から、ある角度光軸を外して反射させ試験空間を得る。この方式をOFF AXIS光学系という。(図2-13 参照)コリメータは、試験面積とほぼ同じ大きさが必要であるが、レンズ方式、凹面鏡方式共にコリメータの大きさは製作上に限度があり、レンズの場合、通常直径500mmまでで、それ以上は凹面鏡が使用されるのが一般的である。

この制限を克服しようとするのが、小型の凹面鏡をモザイク状に並べる方式であり宇宙開発事業団の新しい大型スペースチェンバでは、直径6m試験面を得るためにこの方式を採用している。しかし、各ミラーのアライメント誤差が直接、試験面の放射照度むらとなって現われるため、その精度維持には充分な配慮が必要であり、技術的な困難が伴う。

コリメータを用いた平行光型のソーラシミュレータでは、光軸方向にも均一な光が得られ、立体的な試験体を照射できる。しかし、大型のコリメータは上述のような、技術上の困難があり、その運用のためにかかる費用も大きい。そこで、軸方向の放射照度均一度が不要な、平面的な試験体の場合は、このコリメータを省き、発散光型のソーラシミュレータを用いることが多い。

2.4.5 周辺装置

ソーラシミュレータの主たる構成装置は、前項に説明した光学機器であるが、そのほかにも、長時間に渡り安定な疑似太陽光を供給するためには次のような周辺装置が重要な役割を果たしている。

  • (1)ランプ電源装置
  • (2)ダウサ
  • (3)冷却装置
  • (4)制御装置

(1)ランプ電源装置

光源であるキセノンランプに電力を供給する直流電源装置である。

キセノンランプは、点灯から安定まで、点灯中における電気特性の変化が水銀等などと比べて安定していることから、通常、定電流型の電源が使用される。この電源の安定度は直接的にソーラシミュレータの安定度に影響する。したがって、通常、±0.5%/H程度のドリフト特性のものを使用するが、特に高安定度が必要な場合には、充分に信頼性がある放射照度測定系を用いて、照射面の放射照度を電源にフィードバックし、定放射照度型のフィードバックシステムを形成する場合もある。

宇宙開発事業団の大型ソーラシミュレータの場合は、最大出力電流DC680Aの定電流制御型電源がランプ灯数と同じ、19台使用された。

また、新大型ソーラシミュレータの場合には、スパースチェンバ内部に放射照度モニタを設置し、集中制御盤内に設けられたコンピュータを用いて定放射照度型のフィードバックシステムを形成した。

(2)ダウサ

ダウサとは機械的な光学シャッタであり、光学系の中で最も光芒の小さい、インテグレータの近くに配置されて、シャッタ板によって光を遮断する。人工衛星試験の場合は、このダウサでチェンバ内への光を遮断し「食」(人工衛星が地球の陰にある状態)を模擬するために使用される。ダウサが置かれるインテグレータ付近は、光学系の中でも最もエネルギー密度が大きい部分であり、特に大型ソーラシミュレータの場合では、水冷のシャッタ板が使用される。

(3)冷却装置

ソーラシミュレータ系でソーラ光となって有効に利用されるエネルギーは、下式で表わされる。[有効エネルギー]=[照射面積]×[放射照度]ソーラシミュレータ系に投入されたエネルギーの内、上記以外のエネルギーは熱となって排出される。つまり、[総投入エネルギー]と[有効エネルギー]の差は、冷却系に要求される総冷却容量である。

[冷却容量]=[投入エネルギー]ー[有効エネルギー]

たとえば、宇宙開発事業団におけるソーラビーム直径4mの旧大型ソーラシミュレータの例で冷却容量を計算して見る。まず、投入エネルギーはランプ電源装置(19台)への入力電力である。

[投入エネルギー]=[ランプ電源最大出力]/[ランプ電源効率]≒1,034kW

これに対し有効エネルギーは

[有効エネルギー]=[ソーラビーム面積]×[最大放射照度]=(π×(2m)2)×(1.4kW/m2×2)≒35kW

したがって、総合的に要求される冷却容量は、ほぼ1,000kWである。

この内、ランプの電極部と導電部銅損の必要冷却量がほぼ50%であり、この冷却は特に電極冷却仕様から、循環純水により冷却が行われている。冷却水量はおよそ19,000r/時間である。この他は、おもに、ランプ電源装置の空冷、光学装置の水冷、ランプハウス内部の空冷およびスペースチェンバ内にあるコリメータ鏡の極低温窒素ガス冷却ガスなどである。これらの冷却方式の中で、特に、光学機器水冷の場合においては、通常の冷却水を使用すると、周囲の空気の条件によってはミラー等の光学装置の表面に結露が発生する可能性がある。したがって、このような系では35°C程度の温水で水冷し、結露を防止しているのが特徴的である。また、コリメータ鏡の極低温冷却は、コリメータ鏡から供試体への輻射熱を防止するためであり、-100°C程度に冷却されている。冷却系には上記のほかに、これら水冷、空冷系が取り去ったエネルギーを外部に排出するための一次冷却水系が設けられている。

(4)制御装置

制御装置はおもに下記の機能を有している。

  • ①ランプ電源を制御し放射照度を所要の値とする。
  • ②ダウサを開閉し、太陽光の照射、食の制御をする。
  • ③冷却系の制御
  • ④ システム全体のデータ監視および異常処理

放射照度の制御についてはランプ電源装置のもっている定電流特性によってほぼ所望の放射照度安定度が得られるが、宇宙開発事業団の大型ソーラシミュレータの場合にはスペースチェンバの中に温度制御されたフィードバック用およびモニタ用の受光器が用意され、受光器の信号を処理してコンピュータがランプ電源の出力を制御することによって定放射照度型としても運転できるようになっている。

また、30kWキセノンランプを光源としている場合、電極の熱バランスは水冷によって保たれているため、冷却水の流量低下や断水、温度以上は瞬時的なランプの破損につながる。したがって、これらの異常に対するランプの保護動作機能は制御系の最も重要な機能のひとつになっている。

2.4.6. まとめ

本項では、キセノンショートアークランプの応用例として、宇宙用ソーラシミュレータについて述べてきた。前述のように、わずか数mの宇宙空間を再現するために、巨額の資金とエネルギーを要する。 宇宙の偉大さを感じざるを得ない。

(堀口友四郎)

2.5 セラミックキセノンランプの医学および映像ディスプレイへの応用

2.5.1 はじめに

ミラー内蔵型セラミックキセノンランプ(以下UXR)は1960年代にVarian社で開発1)された。従来の放電ランプとは異なった素材構成により、コンパクトで破裂に対する機械的強度の強いことやハンドリングのしやすさから安全性を配慮しなくてはならない用途に主に応用されてきた。具体的には放電空間に回転放物面鏡を内蔵し高輝度で平行度の高い出力が得られる特徴を生かして、ファイバー照明用、特に300Wクラスのものが医療用内視鏡用に、1kWクラスのものが耐振性の要求されるサーチライトに用いられてきた。1995年頃から回転楕円鏡を備えた光の利用効率を高めたランプが提案され、1996年に業務用プロジェクタに採用されはじめた。我が社では現在、300Wの内視鏡向け光源を量産化しており、昨年末からプロジェクタ向けの製品を商品化した。本稿ではUXRの構造と特性および代表的な応用例について紹介する。

2.5.2 構造と特性

(1)構造

断面図を図2-16に示す。通常のキセノンランプの発光管にあたる部分はアルミナとコバールから形成されており、そのシールにはロウ付けと溶接が使用される。

コバールとは鉄、ニッケル、コバルトからなる合金である。コバールを材料として使用する理由はその熱膨張率がアルミナのそれに近く、接合部にかかる熱的ストレスを製造工程においても、また点灯時にも小さくすることができるからである。

コバールと接合されるアルミナの表面にはMo-Mn法によってメタライズ処理を行っており、その表面にはニッケルメッキをすることでその後のロウ付けを可能にしている。

発光管を形成するアルミナは、内面が楕円または放物面状に加工されミラーの役目を果たしている。機械加工によって形状の出されたミラー面には釉薬とよぶガラスをコートし、光沢面を得た上にスッパタリングまたは真空蒸着によって銀などをコーティングし反射鏡としている。蒸着膜は紫外域を利用したい場合には、銀の代わりにアルミニウムを使用することもある。

ランプの窓にはアルミナの単結晶であるサファイアを使用している。

陰極はそれを支えるモリブデン板に接続されており、モリブデン板は同じく口金(-側)につながるフランジへと接続されている。陽極は口金(+側)となるベースに接合されている。電流導入端子には冷却のためのヒートシンクを装着し、導電はこのヒートシンクを介してなされる(本項(3)で後述)。

図2-16 UXRの断面図(UXR-400)

(2)特性

UXRの代表的な三品種について外観を図2-22に、諸特性を表1に示す。UXR-300は主に内視鏡用光源に、UXR-400、UXR-900は主に映像プロジェクタ用の光源として使用されている。図2-18にUXRの相対分光分布を示す。UXRの反射鏡は銀蒸着からなり、光出射窓のサファイアにはARコートを施して透過率を高めている。図2-19にライトガイドを使った光学系でのUXRの寿命特性を示す。比較として他社の反射鏡内蔵型セラミックキセノンランプの寿命特性をプロットした。UXRは従来の他社製ランプとは異なる窓組立体の構造を採用することで従来品よりも優れた寿命特性を実現している1,2)

図2-17 ミラー内蔵型セラミックキセノンランプ外観図(単位:mm)

表2-1 ミラー内蔵型セラミックキセノンランプの代表的な三品種の諸特性
※ランプ全体から開き角(コーン角)43.6 度の円錐内の可視出力(波長域 390nm ~700nm)

図2-18 ミラー内蔵型セラミックキセノンランプの相対分光分布

図2-19 ミラー内蔵型セラミックキセノンランプにおけるライトガイドを使った光学系での寿命特性

(3)使用方法

UXRは電流の供給とアークによる発熱の冷却を目的とした導電性のヒートシンクを、ランプ両口金に装着してファンによる強制冷却下で使用する。写真2-6にヒートシンクの装着例を示す。ファンによる風が効率よくヒートシンクから熱を奪えるように、ランプハウスはヒートシンクの形状に沿った角形や円筒形が一般的である。UXRは光出射窓が垂直方向上向き45度以内で使用した場合、構造上、対流によりアークのふらつきや光出射窓であるサファイアの割れが発生することがあり、注意が必要である。

写真2-6 ミラー内蔵型セラミックキセノンランプのヒートシンク装着例

図2-20A 硬性鏡

図2-20B 軟性鏡

2.5.3 医療用内視鏡用光源としての利用例

(1)内視鏡概説

医療用内視鏡の歴史は1807年にドイツのBozziniがローソクの光を用いた喉頭鏡で人体内部の観察を試みたことに始まり多くの研究者、開発者によって幾多の改良がなされたが20世紀初頭まで苦痛も危険度もはなはだ大きい特殊な検査であった。1932年にSchindlerとWolfにより軟性胃鏡が完成され、その後Henningが胃内の写真撮影に初めて成功したが記録性はとても満足できるものではなかった。1950年にオリンパス光学(株)が胃カメラ(図2-21)を発表し、鮮明な記録性を持つ点で飛躍的な進歩をとげたが、観察画像を直接見られない(盲目下で撮影のみを行う)ことや、検査結果を得るのに時間がかかる(フィルムを取り出し現像する手間がかかる)という課題が残った。ファイバスコープ(図2-22A)はこの欠点を克服する内視鏡として1957年に発表され、現在では消化管のほぼ全域にわたって生検が可能となっている。

図2-21 胃カメラ。シャッターはなくランプを点灯させて露光する。

図2-22A ファイバスコープ

(2)ファイバースコープ光学系の構成

図2-22Bにファイバスコープ光学系の略図を示す。ファイバスコープは生検を可能にしたほか、光源を外に置くことにより高出力の照明により鮮明な画像を得ることを可能とした。

図2-22B ファイバスコープの構成

(3)電子内視鏡

CCDを使用した電子内視鏡(図2-23)は1983年にWelch Allyn社によって第1号機が開発され、翌年には東芝と町田製作所により国産第1号機も開発された。電子内視鏡は従来のファイバスコープに比べ、

  • ①解像度がよくなる(CCDの画素数の増加により)
  • ②観察像にグラスファイバの網目模様(図2-22C)
  • ③グラスファイバによる色の吸収がなくなり色調が豊富になる
  • ④グラスファイバの劣化により影響がなくなり耐久性が上がる
  • ⑤先端レンズからの光を直接CCDに受け電気信号にかえるのでイメージガイドファイバによる減光がなく、明るく、シャープな像を得られる、などの利点を持つ。撮像方式はRGB面順次方式とカラーチップ同時方式の2つに分けられる。前者は光源の前に置いたRGBカラーフィルタを回転させ被検査部に照明を行い、受光部のCCDは赤、緑、青の順に光を感じてそれぞれメモリーし、3つの色信号が揃った時点でモニタに送り再生するものである。それに対し後者はカラーフィルタをCCDの表面に装着して4つの画素でそれぞれ赤、緑、青、緑をとらえそれを1セットとし、演算処理をしてモニタに送り再生するものである。前者において光源はカラーフィルタの回転に合わせて入力変調をかけて使用する場合がある。

図2-22C イメージガイドファイバによる像

図2-23 電子内視鏡の構成

(4)腹腔鏡手術

最近注目をあびている方法で、簡単に言えば腹部の一部を小さく切り開き、そこから視鏡と同時に鉗子やレーザーメスを挿入して(実際にはエンドスコープにグラスファイバの他に鉗子やレーザメスを導入するチャンネルが設けてある)、大きな切開なしで手術をしてしまうことである。傷が残らないこと、術後退院までの期間が短いこと、患者の体力的な負担を軽減するなどメリットがあり今後さらに広がる手法である。

(5)内視鏡用光源としてのUXRのメリット

特に医療用内視鏡の光源に求められることは以下のようなものである。

  • ①色が安定していること。(患部の色で診断することが多い。)
  • ②赤の連続成分があること。(ガンの初期診断に必要。)
  • ③点光源であること。(Φ3以下のバンドル径のファイバーに入射するため。)
  • ④平行光を出すこと。(ランプ交換の際の位置調整が不要。)
  • ⑤破裂しないこと。(検査中または術式中の破裂音は事故につながるため。)

これらの点を考えた場合UXRは構造、特性からキセノン発光を利用していることや大電流の導入が比較的容易でショートアーク化しやすいこと、またその構造が堅牢であることなどから、他の光源に比べて多くのニーズを満足するものとなっている。

ハロゲンランプやメタルハライドランプも一部使用されているが、ハロゲンランプはあまり色を重視しない検査に用いる場合や持ち運んで使用する機種に好んで使用されているほか、キセノンランプ搭載型内視鏡の非常灯として用いられている。メタルハライドランプはキセノンランプと同じシーンで使用されるが、安定に時間がかかる、瞬時再点灯できない、ショートアーク化がしにくい、破裂の危険があるなどの理由で広くは用いられていない。患部の色の判定など経験が必要になる部分では画像の色が慣れている物と異なるということは医療を行うものにとって重大なことで、実は電子内視鏡が出た当時もファイバスコープと色が異なるといって敬遠した医師もいたようであり、慣れ親しんだ色のキセノンランプは今後も消化器系用内視鏡光源の主力たりうるであろう。

2.5.4 映像ディスプレイ用光源としての利用例

マルチメディアの急速な進展とともに、液晶やマイクロミラーアレイを画像表示素子として使用した各種プロジェクタが映像ディスプレイとして急速に使われるようになってきた。使用される光源にはハロゲンランプ、メタルハライドランプ、キセノンランプがある。ハロゲンランプは低コストであるが、可視域の、発光効率が低い、短寿命

であることなどから通常、携帯型や廉価なプロジェクタに採用されている。メタルハライドランプは中程度までの光出力において発光効率が非常に優れていることから民生用や半業務用のプロジェクタに広く採用されている。これらに対してキセノンランプは色温度が自然昼光に近いこと、瞬時再点灯が可能、点光源に近いショートアークが可能、高出力化が可能などの利点とともに、一方では赤外光が多いため発光効率が低く点灯装置が高価で大きいなどの欠点があるため、高光出力の業務用や色再現性を重要視したプロジェクタに採用されている。なおメタルハライドランプや通常のキセノンランプでは点灯中のランプ内圧が高いために安全対策が必要である。UXRはキセノンランプの一種であるが、セラミック-金属接合特有の堅牢かつ排熱が非常に良いという特性から、同程度の入力の他のキセノンランプよりもさらにショートアーク化が可能であること、ミラー内蔵型のため通常のキセノンランプにミラー外付けしたものに比べて、ランプハウスや光学系のレンズなどが小型化できること、また優れた安全性から搬送時や交換時のハンドリングが容易であること、寿命末期でも破裂しにくいことなどの利点がある。一方では、部材が高価なため高コストであること、部材の特性上高出力化に限界があること、通常のキセノンランプに比べてキセノンガス中を通る光路長が長いため、キセノンガスの対流による明るさのちらつきが生じやすいといった欠点がある。最近のプロジェクタにはスクリーン上の照度均一性を向上するために、半導体プロセスに従来から利用されているフライアアレンズを使ったオプティカルインテグレータや六角柱や四角柱のカレイドスコープを使ったロッドインテグレータが採用されているものが多い。これらのインテグレータ光学系では照度均一性が向上するとともにUXR特有のキセノンガスの対流によるちらつきを抑制することができる。このため高光出力の業務用プロジェクタや色再現性を重要視したプロジェクタの中でも、ランプに対するハンドリングの良さや装置のコンパクト化を目指した設計のものの中で、積極的にインテグレータ光学系を採用し、画像表示素子には反射型である Image Light Amplifier DeviceやDigital Micromirror Deviceを搭載したものにUXRは採用されてきている。

なおこの項に関しては第6章も合わせて読まれることを期待する。

(高橋政徳 田中英夫 杉谷晃彦)

2.6 点灯装置

2.6.1 点灯装置とは

ランプを点灯させるには点灯装置が必要である。点灯装置とは、ランプの始動(絶縁破壊)、アーク放電への移行、アーク放電の維持を行うためのものである。点灯装置は、点灯装置本体(ランプ電流を制御する部分)と、イグナイタ(ランプの始動を行う部分)の2つの部分に分けることができる。図2-24に示すような配置でランプを点灯する。点灯装置とイグナイタは、キセノンショートアークランプを、下記の過程で点灯させる。

  • ①ランプ端子間に高電圧を重畳し、絶縁破壊を発生させ、放電路を形成する。
  • ②点灯装置から突入電流を流し、アーク放電に移行させる。
  • ③点灯装置からの電流供給により、アーク放電を安定して維持する。

以下にこれらの過程について詳述する。

図2-24 放電灯にアーク放電が発生するまで

2.6.2 ランプの始動(絶縁破壊)

パッシェンの法則により、ある領域以上では、電極間距離とガス圧力の積が大きいほど、ランプ電極間を絶縁破壊するために必要な電圧は高くなる。キセノンショートアークランプの場合、絶縁破壊電圧は30kV程度になるので、イグナイタに要求される出力電圧は、30kV~40kV程度になる。

これだけの高電圧になると、長い距離をケーブルで引き回すのは、事実上困難である。よって、イグナイタはランプハウスに内蔵し、ランプとの距離を極力近くするように配置するのが一般的である。このため、ランプハウスに内蔵できるような小型・軽量のイグナイタが要求されてくる。イグナイタを小型にするために、出力の周波数は、10MHz程度に設計される。

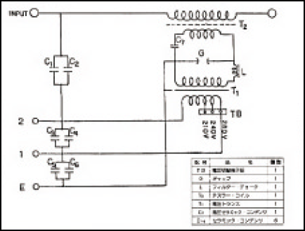
イグナイタの回路を、図2-25に示す。テスラコイルと呼ばれる特殊なパルストランスと放電ギャップを介してテスラコイルの1次側に高電圧パルスを供給するパルス発生部で構成される。放電ギャップを使用して高電圧パルスを発生し、これをテスラコイルの1次側に加え、テスラコイルでさらに昇圧し、昇圧した高電圧パルスをランプ電極間に重畳することにより、ランプ電極間を絶縁破壊する。(テスラコイルは、点灯装置とランプの間に配置される。)

その後、点灯装置からの電流供給により、ランプはアーク放電への移行を開始することになる。すなわち、イグナイタは、ランプ点灯の瞬間に仕事をし、点灯以降は休止していることになる。

イグナイタが高電圧を発生する瞬間は、強い電磁ノイズを発生する。この電磁ノイズを抑制するために、イグナイタ内部に特殊な電磁シールドと電磁フィルタを備えたタイプのイグナイタもある。このタイプのイグナイタを使用すれば、例えばコンピュータ等の電磁ノイズに弱い機器を使いながらランプを点灯することが可能となる。

一般的に、ランプ電極間の絶縁破壊電圧は、ランプの寿命末期になるほど高くなる。また、暗黒中に長く放置された状態でも、高くなる(暗黒効果)。このため、このような状況であっても、ランプ電極間の絶縁破壊を確実に行えるようにイグナイタを設計することが重要である。

図2-25

2.6.3 アーク放電への移行

絶縁破壊が発生し、細い放電路が形成されると、それをグロー放電を通ってアーク放電にスムーズに移行させなければならない。このために、点灯装置から突入電流が供給される。突入電流は、点灯装置内部の100V~200Vに充電されたコンデンサに蓄えられた電荷を一気に放出することにより発生させている。

傾向としては、突入電流が大きい方がアーク放電に移行しやすいようである。しかし、大きい突入電流は、ランプ電極にダメージを与える。瞬時に点灯できることがキセノンランプの特徴の一つであるので、当然、ユーザはランプを頻繁に点滅するような用途でも使用する。よって、大きい突入電流は、ランプの寿命を確実に短くすることになる。

一方、短期間であっても点灯装置の出力電流がランプのアーク放電保持電流を下回ると、アーク放電を保持できなくなり、ランプは立ち消えに至ってしまう。このため、突入電流を低く抑え、アーク保持電流以上を維持し、なおかつ1回の点灯動作で確実に点灯することが、点灯装置の大きな役割である。

アーク放電に移行すると、ランプ電圧は急激に下がる。安定なアーク放電に移行する過程において、ランプ電流が増えるとランプ電圧が下がる、負特性と称される領域がある。点灯装置は、ランプ電流を限流することにより、放電を安定に維持させる役割をはたす。

図2-26

図2-27

2.6.4 アーク放電の維持

アーク放電に移行した後は、点灯装置からの直流出力電流で放電を維持する。アーク放電が安定に維持している領域では、ランプ電流が増えてもランプ電圧は概略一定となる、定電圧特性の領域となる。この領域になった時、ランプ電圧は、いわゆるランプ定格電圧と呼ばれる。ほとんどのキセノンショートアークランプの定格電圧は、20V~30Vである。

キセノンショートアークランプはその用途上、ランプの陰極先端に形成される輝点を長時間安定に維持することが必要である。このため、キセノンショートアークランプは、通常、直流(DC)点灯される。

さらに、その直流電流も、高い安定性と低い電流リップルが要求される。電流リップルは、ランプの電極に与えるダメージにも影響を与えるので、ランプの寿命を短くしないためにも、低くすることが必要である。

今まで述べたように、ランプの定常的な特性と過渡的な特性を熟知し、その上で最適な放電状態のコントロールを行うことがランプ点灯装置を設計する上で必須である。

2.6.5 点灯装置の種類

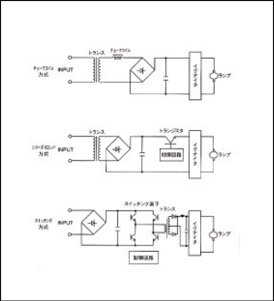
点灯装置の回路方式は、図2-28に示すような下記の種類がある。

図2-28

(1)チョークコイル方式、リーケージトランス方式

電流制御素子として、チョークコイルを使用したものである。チョークコイルは、銅と鉄で作られるため、大きく重い。また、制御精度も悪い。しかし、回路が簡単であり、構成部品点数も少なく、寿命も長いという利点がある。

チョークコイルと絶縁トランスの複合素子であるリーケージトランスを使用した方式もある。

(2)シリーズドロッパ方式

電流制御素子として、トランジスタを使用したものである。入力電圧とランプ電圧の差をトランジスタで消費し、電流制御を行っているので、発熱量が大きい。また、絶縁トランスも必要であるので、スイッチング方式と比較して、大きくて重い。しかし、高速な電流制御応答、高い電流制御精度、動作時に回路から発生する電磁ノイズが少ない、等の利点がある。

(3)スイッチング方式

電力変換効率が良く、発熱が少ない。高周波なので、絶縁トランスが小型にできる。しかし、回路は複雑であり、部品点数も多いという短所がある。

上記で紹介した方式のうち、大きさと重さは、スイッチング方式が最も優れている。精度は、シリーズドロッパ方式、スイッチング方式、チョークコイル方式の順で優れている。堅牢さは、チョーク方式が最も優れている。

2.6.6 スイッチング方式とは

上記のように各々優劣があるが、高い精度でランプ電流を制御し、同時に小型・軽量の市場要求を満たすために、スイッチング方式が採用される場合が多い。

スイッチング方式は、図2-29に示すような回路で下記のような動作をさせる。

  • ①交流入力電圧を直流電圧に整流・平滑する。
  • ②直流電圧を20KHz~100KHzの周期の高周波に変換する。
  • ③高周波用の絶縁トランスを介して、電圧変換を行う。
  • ④高周波を整流し、直流に戻し、出力電流とする。

スイッチ素子によって、直流電圧を裁断(スイッチ)し、20KHz~100KHzの交流に変換するため、スイッチング方式と名付けられている。半導体素子をスイッチとして使用するために、スイッチでの電力損失を少なくすることが可能であり、電力変換効率が良く、発熱が少ない。

スイッチング方式は、1秒間に20K回から100K回という高い分解能で直流ー交流ー直流に変換していることになるので、高い精度で出力を制御することが可能となる。スイッチング方式の点灯装置の実力は、1%以下の安定度、1%以下の電流リップルである。前述のチョークコイル方式と比較すると、10倍以上の高い精度である。

また、高周波トランスによる絶縁と電圧変換が可能なため、トランスが小型・軽量化できる。(一般に、扱う周波数が高いほど、トランスは小型にできる)チョークコイル方式と比較すると、大きさと重さは1/3~1/5程度小さい。

ただし、スイッチング方式の欠点は、チョークコイル方式に比べて、点灯装置自体の寿命が短いことである。チョークコイル方式の点灯装置寿命は10年をはるかに越えるが、スイッチング方式の場合はそれより短い。また、スイッチング方式は、高温、激しい振動、塩水雰囲気などの過酷な環境下に弱い。このため、海上サーチライトなどの用途には、チョークコイル方式が採用されている。

図2-29

2.6.7 点灯装置の用途

キセノンランプと点灯装置の用途は、下記のようなものがある。

(1)医療用内視鏡

内視鏡は極めて細い光ファイバで構成されているが、そのファイバに光を送り、胃の中などを照明するための光源として使用されている。細いファイバを効率よく照明するために、高い輝度が必要である。また、照明された画像を目で見ながら患部を診断するため、色の情報は重要である。このため、自然光に近い光源が必要である。さらに、光源を点灯してからの患者の待ち時間を少なくするため、瞬時に点灯・安定する光源が必要である。

以上の理由により、キセノンランプが使用されている。(2.5章に詳述するミラー内蔵型セラミックキセノンランプは最適のランプである。)医療用途なので、非常に高い信頼性、確実な点灯性が点灯装置に要求されている。手術中にランプが消えてしまうことは許されない。

医療用内視鏡は、工業用にも転用されている。

(2)顕微鏡

顕微鏡の試料を照明するための光源である。一般の顕微鏡の照明は、ハロゲンランプが採用されることが多い。

ハロゲンより強力に、小さいエリアを照明するときに、キセノンランプが使用される。しかし、ランプ及び点灯装置のコストはハロゲンよりも高価であるので、高級な顕微鏡でしか使用されていないようである。

(3)人工太陽(ソーラシミュレータ)

キセノンランプのスペクトルが自然光に近いことをそのまま利用したものである。300W~30kWまで、幅広いパワーのキセノンランプが使用されている。詳細は、2.4章を参照いただきたい。

(4)サーチライト・ビル照明

この用途は、当然、屋外環境で使用されることになる。よって、長い寿命と高い耐環境性が点灯装置に要求される。このため、現在でもチョークコイル方式の点灯装置を採用しているユーザもある。2kW~5kW程度のランプが多く使用されている。

2.6.8 技術動向

(1)最適なランプ点灯制御

一部の機種では制御用マイクロコンピュータを内蔵し、ランプ点灯時及び定常時の放電状態を最適に制御することを行っている。この結果、ランプ点灯時の突入電流を激減させ、かつ、良好な点灯性を確保できるようになった。また、常に放電状態を監視制御しているので、最適な放電状態を維持することが可能になる。

(2)光量安定性の向上

ランプ電流やランプ電力を一定に保っても、アーク放電の変動により、ランプから出る光は「ゆらぎ」を含んだものになる。また、長いスパンで見れば、ランプ寿命末期に従い光量は低下する。ユーザの用途によっては、このような光のゆらぎや長期的な低下を嫌う場合が増えてきた。新品ランプと寿命末期ランプでは、光量が70%近く異なる。生産装置でランプを使用している場合など、その差はそのまま生産装置のタクトタイムの差になる。これは、使う側にとっては、やっかいなことである。これを改善するために、ランプの光をモニタし、常に希望の強さの光量が得られるように点灯装置の出力電流あるいは出力電力をフィードバック制御する。ランプが新品の状態では定格の70%程度のランプ電流で点灯し、ランプからの光量が少なくなるに従ってランプ電流を増大し、ランプ寿命末期の状態では定格の100%のランプ電流で点灯するようにする。このため、常に一定の光量を維持できる。

(3)点灯装置のシステム化

ランプが使用される装置の複雑化、高度化に伴って、点灯装置もランプを点灯させる機能だけでなく、ランプ放電を安定に維持するシステムコントローラとしての役割を担うようになってきた。このため、ランプの状態や点灯電力によって冷却条件を最適に制御する機能や、ホストシステムとの通信によってランプ点灯状態を変化・報告する機能など、ユーザが使いやすいランプシステムの機能を含んだ点灯装置も製品化されている。この傾向は、今後ますます強まるだろう。

(4)小型・軽量・高信頼性

この要求は市場要求として当然であり、これに常に答え続ける必要がある。点灯装置は、ユーザシステムに組み込まれることがほとんどである。このため、点灯装置が故障しても容易には交換できない場合が多い。信頼性を確保しつつ、小型軽量にすることが要求される。

(5)高効率・高力率

特に半導体製造ラインにおいては、発生する熱を嫌う場合が多い。このため、点灯装置の電力変換効率を高め、点灯装置からの放熱を抑える必要がある。

また、生産ラインでは複数台の装置を並べて使用することが普通であるため、点灯装置への入力電力(VA)を低く抑えることが要求される。これに答えるためには、電力変換効率を高めると同時に、入力力率も高めなくてはならない。電子回路的に力率を高めるアクティブフィルタ方式や、チョークインプット方式などが採用されている。

(6)規格対応

どのような装置であれ、日本国内だけで販売し、輸出を考えないものはまれである。このため、UL、CE、GS、VCCI等の海外の安全規格・ノイズ規格に対応する要求がますます強まっている。

図2-30に当社のキセノンランプと点灯装置をかかげておく。

(林 宏樹)

Copyright © USHIO INC. All Rights Reserved.