USHIO

光技術情報誌「ライトエッジ」No.15

特集 放電ランプ

(1998年11月)

第三章/超高圧水銀ランプ
3. 超高圧水銀ランプ

3.1 原理と特性、構造

3.1.1 発光の原理

この章で扱う超高圧水銀ランプは直流点灯でかつショートアーク型のものとする。超高圧水銀ランプはランプのほぼ中心に位置する陽極と陰極の間にアーク放電が形成され、そこから輝線スペクトルと呼ばれるある波長に限定された強い放射と輝線以外の連続スペクトルの放射が発せられる。前者は水銀が励起状態から基底状態または準安定状態に戻るときのエネルギー差の放射であり、後者は自由電子とイオンの再結合による放射が主である。さらに詳細なスペクトルの形状は、点灯中の水銀蒸気の圧力に依存していくぶん変化するという特徴を持っている。詳細なスペクトルの分布(以下分光分布と呼ぶ)については3.1.3項に述べる。

(1)輝線スペクトル

超高圧水銀ランプの陰極から放出された電子が基底状態の水銀原子に衝突し、水銀原子がエネルギーの高い励起状態に遷移する。励起状態から基底状態、または準安定状態に戻るときにこのエネルギー差分だけ放射されたものが輝線スペクトルである。水銀のエネルギー準位を図3-1に示す。その波長λは以下の式(3.1)で示される。

Ee:水銀の励起状態のエネルギー
Eg:水銀の基底状態または準安定状態のエネルギー
h:プランク定数(6.63×10-34J・s)
c:光速度(2.998×108m/s)

図3-1 水銀のエネルギー準位

(2)連続スペクトル

超高圧水銀ランプの陰極から放出された電子が基底状態の水銀原子に衝突したとき、水銀原子が上記のような励起状態になる以外に電離してイオンになっている。この水銀イオンに高速で運動している自由電子が衝突すると正の電荷を持った水銀イオンと負の電荷を持った電子が再結合し、電子の運動エネルギーに見合うエネルギーが放射される。これが連続スペクトルとして放射されるのである。その波長λは以下の式(3.2)で示される。

eVi:電離エネルギー
K:電子の運動エネルギー

3.1.2 構造

超高圧水銀ランプを構成する主な材料は、石英ガラス、タングステン、モリブデン、水銀、希ガスという基本材料と、ランプ取り付け部分を構成する口金、リード線などである。特に前者の基本材料は品種によらず不可欠な材料である。簡単な超高圧水銀ランプの外観図を図3-2に示す。(この図は陽極が上に描いてあるが、陽極が上で点灯するものと陰極が上で点灯するものがある)また、図3-2に示した基本材料の詳細と役割を以下に示す。

図3-2 超高圧水銀ランプの外観図

(1)陽極

陽極はアーク放電に曝され、電子の流入口となるため先端部分は非常に高温になる(ランプの種類によっては3000°Cをこえる)。そのため、通常最も高温での熱蒸発の小さい金属であるタングステンを用いる。ここで発生した熱は陽極側の口金方向への伝導、ランプ内に対流している成分への熱伝達、側面からの熱放射により熱平衡が保たれる。

(2)陰極

陰極はアーク放電を継続するための電子放出口である。熱電子放出が低いエネルギーで起こること、即ち仕事関数が低いことと熱蒸発、溶融し難いという観点から、通常タングステンにトリアを数%分散させたトリエーテッドタングステンを用いる。トリエーテッドタングステンを用いた場合、陰極先端部はリチャードソン・ダッシュマンの式から、約2700°Cで動作する。

(3)水銀

水銀は発光の主成分として封入する。封入量は水銀のスペクトルをどの波長を利用して強度を強くするかにより異なる。用途に依存して決定される。

(4)希ガス

希ガスは始動を補助するために封入する。封入量は始動性、ランプの寿命特性、ランプの光学特性などを鑑み、決定される。通常はアルゴン、キセノンが用いられる。

(5)石英ガラスバルブ

石英ガラスは水銀ガスを封じ込める容器である発光管の材料として用いられている。、点灯中はこれを通した光だけを取り出すことになる。つまり水銀のスペクトルの内、必要な波長領域には、その波長領域で透過率の高い石英ガラスが選択される。逆に必要ではない波長領域には、その波長領域で透過率の低い石英ガラスを選択すれば良いことになる。

(6)陽極側、陰極側モリブデン箔シート

モリブデン箔シートは、電極に接続されたタングステン棒と外部から供給される電流の通り道であるタングステン棒との間に溶接された直通路である。モリブデンディスクなどを介して溶接され、外部タングステン棒とランプ内部電極の導通が保たれている。一方ではこのモリブデン箔は、ランプの発光部分と外部との気密性を保つ役目もしており、石英ガラスをこの部分で密着封止している。通常数10μmの厚さのモリブデン箔シートを用いる。

(7)タングステン棒およびモリブデンディスク

外部タングステン棒とランプ内部電極の導通を得るために、補助的に設けられる部品である。

(8)口金、リード線

ランプをランプハウスなどに取り付けたり、整流器からの導通を取るための部品である。

3.1.3 特性

超高圧水銀ランプの特性は大きく分けて電気特性、熱特性、光学特性、寿命特性の4つである。これらの特性について以下に記す。

(1)電気特性

電気特性は始動に必要な絶縁破壊電圧、アーク放電に移行するまでの過渡的な電流、そして点灯中の電流と電圧で表される。

  • ①絶縁破壊電圧はランプを始動させるために陽極と陰極の間に火花放電を起こす電圧である。この値はランプに封入した希ガスの種類、圧力により異なり、一例として電極間が3mmの超高圧水銀ランプに高電圧を印可したときの封入ガス圧と絶縁破壊電圧の関係を図3-3に示す。
  • ②アーク放電に移行するまでの過渡的な電流は、火花放電が発生した後、陰極が熱電子放出を開始するまで安定器から意図的に過電流を流し、陰極先端部分を暖める必要が有るため流される電流である。通常この電流はランプの安定電流の数倍を必要とし、数100msの間流される。
  • ③点灯中の電流、電圧はランプの電極間距離、点灯中の水銀圧力によりほぼ決定される。ランプ入力を一定にした場合、電力間隔が大きいほど、また水銀圧力が高いほど、電流値は低く電圧は高くなる。

図3-3 絶縁破壊電圧と希ガス封入圧の関係

(2)熱特性

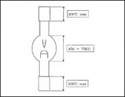
ランプは点灯中に高温になる。熱の発生原因は安定器から供給された電流により電極に発生するジュール熱、アーク放電により発生した熱、放射により発生しガスの熱伝達により損失した輻射熱に分けられる。これらによる発熱はある範囲を超えると重大なダメージをランプに与えることになる。図3-4に推奨するランプ各部分の温度範囲を示す。

図3-4 推奨するランプの温度範囲

(3)光学特性

ランプの光学特性の基本は分光分布、配光分布、 輝度分布の3つで表される。これら特性の詳細と 代表的なものを以下に記す。

  • ①分光分布は通常ランプから放射された光をランプの水平方向に置かれたほぼΦ10の窓を通し測定される。ランプと窓の距離はランプから発生する熱が影響しない程度とする。分光分布はランプに封入した水銀の量に依存し、同一条件のランプでは水銀量を増やすほど、連続スペクトルの放射が増え輝線スペクトルの半値幅が大きくなる。図3-5、 3-6、3-7に水銀量を変化させたランプの分光分布を示す。露光光源のg線(436nm)は水銀封入量を多くし、i線(365nm)は水銀量を相対的に少なくする設計がとられることがわかる。
  • ②配光分布はランプから放射された360°方向の光の内、上下方向の緯度方向の放射照度を測定したものである。この分布は電極設計により若干異なるが、一般的には上下方向に行くほど放射照度の分布が小さくなり、特に陽極方向でそれが顕著に表れ、水平方向近傍で放射照度が最大となる。例として図3-8に陽極を上にして点灯したランプのi 線(365nm)近傍に感度がある照度計を用いて測定した配光分布を示す。ランプの水平方向を100%として規格化してある。
  • ③輝度分布はアーク放電している部分を拡大し、アーク像が持つ放射照度を測定したものである。この値は陰極先端部分で最大となり、陽極に近づくほど小さくなる。陽極を上にして点灯したランプと計測器の中間にi 線近傍だけを透過するフィルタを置き測定した輝度分布を図3-9、3-10および3-11に示す。

図3-5 分光分布図
(水銀量:約30mg/cm3

図3-6 分光分布図
(水銀量:約15mg/cm3

図3-7 分光分布図
(水銀量:約5mg/cm3

図3-8 配光分布

図3-9 輝度分布

図3-10 輝度分布(ランプ軸方向)

図3-11 輝度分布(ランプ軸に垂直方向)

(4)寿命特性

ランプの寿命を決める要因はランプからの放射照度の低下とランプに使用されている石英ガラスの劣化によるものが主なものである。

  • ①放射照度低下の主な原因は熱蒸発した電極材料が石英バルブの内面に付着することにより、石英バルブの透過率が下がるためである。すでに3.1.2項で述べたように電極の先端部分は3000°C前後の高温になっており、ランプの動作原理から考えてこれを回避することはできない。
  • ②石英ガラスはすでに本項で述べたように、点灯中に数100°Cになっている。また、各部分で温度差ができているため、長時間の点灯で石英ガラスに熱歪みが発生する。熱歪みの値が大きくなった場合、点灯中に石英ガラスにクラックが入り、破損につながることがある。

3.1.4 用途

超高圧水銀ランプは当社では約40年前に初めて開発され、様々な用途に使用されてきた。開発当初は紡糸照明用に用いられ、その後拡大投影機、蛍光顕微鏡、電磁オシログラフの照明および光源として用途が広がり、現在では半導体、液晶、プラズマディスプレイパネル、プリント基板露光用光源としてなくてはならないものになっている。

(間山省一)

3.2 特徴と用途

3.2.1 超高圧水銀ランプ

超高圧水銀ランプの特徴は以下に示すように要約される。

  • a)アーク寸法が小さく、疑似点光源として、平行光あるいは集光に効率良く変換できる。
  • b)可視および紫外放射の放射効率が高い。
  • c)発光体が水銀であり、働程中の分光分布の変化がすくない。

3.2.2用途

高輝度・点光源としての使用は全ての用途に共通している。用途を大別すると可視光源としての使用用途と特定波長の使用用途に区分できる。

3.2.3 用途例

表3-1に、代表的な用途とランプおよび使用波長の一覧を示す。表中の個々の用途を簡単に説明する。

顕微鏡の試料の照明用として、発光長が0.5mmのランプが使用されている。

紡糸照明は平行光を紡糸中の糸に照射し、糸切れ等の不具合をチェックする光源である。

液晶プロジェクタで偏光変換素子を使い偏光損失を少なくした装置には発光長と発光径の小さなランプが必要である。メタルハライドランプは発光径を小さくすることが困難であるため、超高圧水銀ランプが使用され始めた。赤色部の発光効率をアップするために、動作時の水銀蒸気圧が150×105Pa(150気圧)まで高められている。この圧力はランプとしての強度限界に近く、破裂時の安全策としてシールドされたミラー内で点灯される。

精密部品の接着剤の乾燥・硬化の用途(スポットキュア)に小型のランプが使用されている。

半導体ウエハの周辺露光に小型のランプが使用されている。i線レジストにはi線ランプが使用され、KrFレジストにはdeep・UV(248nm近傍)の紫外放射が使用される。半導体の露光(リゾグラフィ)光源として、g線露光機には超高圧水銀ランプ、i線露光にはSUVランプが使用されている。248nmを使用する露光機にはdeep・UVランプが使用されている。

液晶の薄膜や半導体の露光(リゾグラフィ)に2KW~5KW入力のランプが使用されている。使用波長は400nm~436nm全域である。ガラス基板の大型化にともない、ランプ大型化が進行中である。

液晶カラーフィルタの露光用として5KWから8KWのランプが使用されている。カラーフィルタの色毎に波長感度が異なるため、g~i線の全領域が使用される。ガラス基板の大型にともない8KWランプが主力になってきた。今後さらに大入力化が要求されている。

プラズマディスプレイの蛍光体の露光あるいは配線の露光に8KW入力ランプが使用されてる。プリント基板の配線の露光(リゾグラフィ)に3KW~8KWランプが使用されている。

従来、液晶の配向膜の製作にはラビング法が使用されていた。液晶の広視野角化のために、各画素を複数に分割し、分割毎に配向膜の方向を変える手法が採用され始めた。この手段には、ラビング法は使えないために、光露光法が使用され始めた。光としては、250nm近傍以下の紫外放射、あるいは300nm近傍の紫外放射が使用されている。

表3-1 超高圧水銀ランプの用途と代表的なランプ

3.2.4 取り扱い上の注意

一般的な取り扱い上の注意については、個々のランプに添付されている「ランプ取扱い上の注意」を守る必要がある。ここでは、ランプをより良く使用する方法の幾つかについて記載する。

①一般に、点滅点灯は照度の維持率を悪化させる。不必要な点滅はひかえる。

②個々のランプの放射出力は±1%程度以下に管理製作されている。

装置としての出力が上記割合よりも大きい場合は以下が原因と考えられる。

  • a:装置のバラツキ。(装置―装置間のバラツキ)
  • b:ランプのセッティングが不適当。
  • c:装置(光学系)の劣化。

ランプのセッティング方法の管理適切化、あるいは装置の経時管理を行なうことで、ランプの初期出力を最大限に利用可能になる。

③通常のランプの陰極には酸化トリウムをドープしたタングステンが使用されている。ランプを安定に動作させるためには、陰極先端温度を2700°C程度に保つ必要がある。この温度域では、陰極先端は熱変形を受け、寿命とともに徐々に後退するが、陰極先端の後退で、アーク位置が光学系の最適位置からわずかにずれる場合がある。アーク位置の調整機能がついた装置では、時々、アーク位置の再調整を薦めている。この操作により、常に最大出力でランプを使用できるようになる。

(大久保啓介)

3.3 露光用光源

現在では超高圧水銀ランプは露光用光源として一般的に知られており、半導体、液晶、プラズマディスプレイパネル(以下PDP)、プリント基板(以下PCB)などの露光用になくてはならない光源になっている。超高圧水銀ランプが露光用光源として使用され始めたのは今から30年ほど前、LSIが生まれる以前のまだICと呼ばれていた頃にさかのぼる。

3.3.1 背景

微細な回路パターンを露光するには露光面において平行光が必要とされる。超高圧水銀ランプは電極間が狭く、仮想的に点光源と見なされるため、ミラー、レンズと組み合わせたとき露光面において平行光が取りやすいという特徴がある。また、レジストと呼ばれる感光剤も露光において必要不可欠である。この感光剤は当時、コピー機が普及する以前、青焼きに使用されていた感光剤であるジアゾ化合物が水銀のg線に感光することが良く知られており、ジアゾ化合物の応用による露光面レジストの開発と超高圧水銀ランプが放射する光がうまくマッチし、広く使用されるようになったのである。半導体露光にレジストが使用されている様子を簡単に図3-12に示した。

図3-12

3.3.2 簡単な歴史

超高圧水銀ランプの露光における用途は半導体から始まり、今では液晶、PDP、PCBなどの露光にも応用されている。特に、半導体露光について年代順の報告がある1)のでそれを露光方式と合わせて簡単にまとめて表3-2に示した。液晶、PDP、PCBなどの露光については表3-3に示した。

表3-2 半導体露光の簡単な歴史

表3-3 液晶、PDP、PCBの露光方式

3.3.3 露光用光源

(1)半導体露光は3.3.2項、表3-2で簡単に述べたように約30年の歴史の中でランプに求められる特性が変化してきた。大きくはg線からi線ランプへの移行であるが、この項ではもう少し細かくランプの特性について述べる。

  • ①1980年以前は露光機の進化に伴いランプの放射照度出力(ランプの入力)が大きくなってきている。これは微細加工を行うための露光機にそれまで以上のミラー、レンズが必要となり、ミラー、レンズでの照度損失を、ランプの放射照度そのものを大きくすることによってカバーしたのである。
  • ②1980年代になりg 線ステッパが主流になるとランプはフラッシュ点灯で対応した。ステッパの特徴はウエハ面を細かく分割して露光し、ウエハの移動を繰り返すことであるが、通常それまでは、ウエハの移動中にはステッパに付属しているシャッタでランプからの光を遮断していた。フラッシュ点灯はウエハの移動中にランプの放射照度をできるだけ小さくし、シャッタの熱負荷を抑えるために考え出された方式である。
  • ③1990年代に入りi線ステッパが主流になった。i線ランプの第一世代である1kWから1.4kWのランプは従来のg 線ランプを基本にし、i線がより多く放射されるように封入水銀量、封入希ガスを工夫することで対応した。1.5kW以上の第2世代になると露光するパターンが微細になりミラー、レンズの色収差を解消するための工夫をスペクトル分布に加えていき、さらに不必要な波長領域のスペクトルをカットしたり、放射される光の変動を小さくするための技術を用いたりしていったのである。

(2)液晶、PDP、PCB露光は基本的に半導体露光装置の応用である。最も解像度が必要とされるTFT液晶でも半導体の1桁程度精度が低く、1M DRAMとほぼ同程度の工程である。しかし、露光する基板がシリコンウエハではなくガラスであること、また大きさについてもΦ6からΦ8インチレベルではなく、550mm×650mm、650mm×8300mmと大きく、生産性、歩留まりに半導体露光とは異なる概念が必要である。

3.3.4 露光装置

露光装置はミラー、レンズの多彩な組み合わせで構成されており、その詳細は他の雑誌等に譲るとして非常に簡単な縮小露光装置の概念図を図3-13に示した。また、表3-2で少し触れているが1990年代に入り開発された位相シフト、変形照明について以下に示す。

  • ①位相シフトはマスクにシフタと呼ばれる光の位相を反転する材料を取りつけ、マスクを通った光の位相を打ち消し合うようにし、パターンを正確に露光できるように工夫されたものである1)。原理の説明図を図3-14に示す。
  • ②変形照明は従来マスクに垂直に入射させていた光を、少し斜めから入射させることにより解像度と焦点深度を向上させたものである2)。原理を図3-15に示す。

図3-13

図3-14

図3-15

3.3.5 露光用光源、装置の今後の動向

露光用光源、装置は時代の流れの中で常に最先端の技術を要求されてきた。これからも更に時代の要求に応えるべく変革されていくのは間違いない。すでに応用されているものもあるが、以下に今後の動向について述べる。

(1)半導体露光は図3-12に述べたようにi線とエキシマのミックスアンドマッチ、8インチから12インチウエハへの転換、ステッパからスキャナへの転換が進んでいくと考えられている。これらを鑑みランプに要求される特性を挙げると以下のようになる。

  • ①i線とエキシマのミックスアンドマッチにより、i線はノンクリティカルレイヤの露光比率が高まる。ノンクリティカルレイヤの露光はクリティカルレイヤの露光に比べ、露光エリアを大きくしたり、露光時間を短くするなどスループットがより重視される。これらにより高照度のランプが求められる。
  • ②8インチから12インチウエハへの転換はウエハ1枚当たりから取れる半導体のチップ数を上げ生産性の向上、コストダウンをより進めるためのものである。このためには12インチウエハで如何に速くウエハ1枚を露光するかがキーになってくる。当然、露光時間を短くするために高照度のランプが求められる。
  • ③ステッパからスキャナへの転換は256M DRAMクラスで一度に露光できる領域を増やし、半導体露光工程全体のバランスを取ることが目的である。スキャナはステッパのように、ウエハの一部の領域に短い間光を照射するのではなく、ウエハの一部にスリット状の光を照射しそれがウエハ上を走査し露光するというものである。照射された光がウエハを走査している間、同じ照度が要求されるのでランプには今まで以上の照度安定性が求められる。

(2)液晶露光はノート型パソコンの液晶画面が年々大きくなっていることでも分かるように、今後益々大画面の露光が必要になる。大画面を露光するためにはランプを高照度にしなければならない。もう1つは最近ランプの多灯使いという発想があり、ランプの照度を高くするのではなく、ランプを数本使用し露光面の照度を確保しようとするものである。例えば、8kWのランプを1本使用しているところを2kWのランプを4本使用するというようなことである。

(3)PDP、PCB露光においても液晶露光と同じことがいえる。

(間山省一)

3.4 光ファイバ用光源

3.4.1 装置の概要とその用途

電子部品、光学部品の精密接着をはじめ、印刷インキ、塗料、コーティングの乾燥など様々な分野に応用が広がる紫外線硬化技術は、高速、低温処理、無公害、省エネルギーの各種の利点を活かし発展している。当社はこの紫外線硬化技術に、最適な硬化条件を満たす光とシステムを業界に提供し続けてきた。このような装置の例として写真3-1と図3-16に概要を示す。即ち写真3-1は図3-16の光源(以下ランプと称す)と集光ミラーが組み合わされた状態で、ランプからの放射を集光して光ファイバによって目的とする任意の場所に取り出す装置(スポットUV照射装置、以下スポットキュアと称す)である。そして写真3-2にこの装置で使用するランプを示す。

写真3-1 スポットキュア

写真3-2 スポットキュア用ランプ

図3-16 スポットキュア

3.4.2 光ファイバ用ランプに要求される特性

スポットキュアは微小面照射用のUV照射装置であるが、装置に組み込まれたランプから発光される紫外線は効率良く反射集光する光学系により特定場所に伝送され、高放射照度の紫外線を長時間にわたって維持しなければならない。しかるにランプは一般に使用時間と共に、アーク放電起点である陰極先端部分が温度になり変形摩耗する。その結果①集光ミラーの焦点からアーク中で最高の放射輝度をもつアーク放電起点位置がずれ、集光効率が急速に低下する。②陰極先端アーク放電部分の溶融蒸発物がランプの発光管内面に付着して紫外線透過率を劣化させる。①、②より短時間で紫外線照射照度の劣化を生じさせるのが現状であった。ランプに対する要求特性はこの様な不具合がなく、長時間にわたり安定した紫外線照射を維持することの他にランプには寿命があるため交換する必要があることである。従ってこのとき集光ミラーの焦点にアーク放電起点がくるように調整することなくセットできればより好ましい。そのためランプの位置調整機構がない、固定焦点型のUV照射装置が主流になって来た。しかし従来のトリエーテドタングステン(以下トリタンと略す)陰極を使用した場合、陰極の動作温度が相当高温度なため前記の①、②の問題を抱えており固定焦点型の要求に応えることができなかった。

3.4.3 改良型陰極開発の狙いおよびその種類と特性

(1)狙い

  • ①陰極先端の熱電子放射部分の動作温度を下げて変形摩耗を防止し、ランプからの紫外線放射輝度の最大値の位置が集光々学系ミラーの焦点からずれないこと。
  • ②陰極物質が発光管内部に付着しないこと。
  • ③長時間にわたり電子放射性物質が陰極先端のアーク放出部分に供給され、安定なアーク放出を維持すること。以上の特性を備えた陰電極を実現するのが開発の狙いである。

(2)陰極の種類と特性

表3-4に250Wクラスのランプ例に陰極の種類と特性を比較する。

表3-4のNo.1~No.4の説明

  • No.1:ショートアークランプの陰極として従来から使用されているトリタン電極の例である。陰極の動作温度が高いので、変形摩耗、蒸発黒化のため短寿命である。
  • No.2:電子放射性物質としてアルカリ土類金属の酸化物を使用した。この場合陰極は複合構造で動作温度がトリタン電極(No.1)よりも約1000°C低く設計し、前記(No.1)問題を解消した。
  • No.3:電子放射性物質はNo2と同一で陰極先端電子放出部分のみが放電室に露出される構造に設計した。その結果電子放射性物質の蒸発が非常に減少し、発光管内面が長時間透明のまま保持できる。従って2000時間動作で初期値の90%の紫外線維持を示した。
  • No.4:電子放射性物質はNo.2と同一であるが、プール部を設ける改良を加えて設計をした結果、2000時間動作で初期値に対して100%の紫外線維持率を示した。

表3-4 改良型陰極との比較

3.4.4 ランプの種類と特性

(1)各種ランプの紫外線照射維持率特性(365nm)

トリタン陰極(No.1)を使用したUSH-255BY超高電圧水銀ランプ、複合陰極(No.2)を使用したUXM-S200KLキセノン―水銀ランプ、複合陰極(No.3)を使用したUXM-Q255BYキセノン―水銀ランプ、複合陰極(No.4)を使用したUXMQQ255BYキセノン―水銀ランプ、それぞれの紫外線維持率(365nm)比較特性を図3-17に示す。

図3-17

(2)各種ランプの分光特性

USH-255BYランプ(No.1)、UXM-S200KLランプ(No.2)、UXM-Q255BYランプ(No.3)、UXMQQ255BY、UXL-150W(キセノンランプ)(No.4)の各分光特性を図3-18に示す。

図3-18

図3-19A

図3-19B

(3)複合陰極(No.4)を使用したUXMQQ255BYランプの寿命特性

図3-19A、図3-19Bに複合陰極(No.4)を使用したUXM-QQ255BYランプの連続寿命試験による紫外線照射維持率(365nm、254nm)を示す。

(大西安夫)

3.5 点灯装置

点灯装置から見れば、キセノンショートアークランプも超高圧水銀ランプも同じ放電ランプであるので、2.6節のキセノンショートアークランプの点灯装置の項目で述べた内容と、重複する部分が多い。このため、本項では、超高圧水銀ランプ点灯装置として特徴的な点のみを述べる。

3.5.1 ランプの始動(絶縁破壊)

超高圧水銀ランプは、水銀が固化している状態では、バルブ内圧力が低い。このため、電極間距離とガス圧力の積が小さいので、ランプ電極間を絶縁破壊するために必要な電圧は低くなる。キセノンショートアークランプのイグナイタ出力電圧は30kV~40kVだったが、超高圧水銀ランプ用のイグナイタはずっと低い。100Wクラスのランプでは2kV程度のイグナイタ電圧で十分であり、8kWクラスのランプですら7kV程度で絶縁破壊可能である。この程度の電圧ならば、ランプケーブルの耐圧・絶縁抵抗に配慮すれば、イグナイタを点灯装置に内蔵することが可能になる。イグナイタを別に用意し、ランプハウスに取り付ける必要がないので、ユーザにとってのメリットになる。また、ランプハウス内部の絶縁設計も容易になる。イグナイタを点灯装置に内蔵することを前提に考えると、出力ケーブルでの高電圧の減衰はなるべく少なく抑えたいので、超高圧水銀ランプ用イグナイタの出力は、DC電圧が使用される。

イグナイタの回路は、図3-20のように、高電圧ダイオードとリレー、高圧DC発生部とで構成される。高圧発生部から出力されるDC高電圧をランプ電極間に印可することにより、ランプ電極間を絶縁破壊する。DC高電圧をランプ電極間に印可している期間はリレーの接点を開いておき、点灯装置側に高電圧が逆流しないように、高電圧ダイオードによって阻止を行っている。ランプ電極間の絶縁破壊の直後にリレーの接点を閉じ、点灯装置からの電流供給はリレーの接点を通して行われる。

バルブ内圧力が高い期間(ランプ消灯直後などのバルブ温度が高い期間)は、上記のような低い電圧のイグナイタでは絶縁破壊できない。しかし、キセノンショートアークランプと異なり、超高圧水銀ランプの場合は、もともと瞬時点灯・瞬時安定ができないので、一般的に一度点灯したランプは消さないことが多い。このため、ランプ消灯直後に再点灯できない欠点は問題にならないことが多いようである。再点灯に要する時間を少しでも短くしたい用途の場合は、キセノンショートアークランプと同じ30kVのイグナイタが使用されることもある。

図3-20

3.5.2 アーク放電の維持

超高圧水銀ランプも、キセノンショートアークランプと同じく、点灯装置からの直流電流出力で放電を維持する。超高圧水銀ランプは、点灯初期(点灯開始から5分程度)にはランプ内部の水銀の蒸発が行われていないために、10V~20Vのランプ電圧が維持される。その後、ランプの温度が高くなり水銀蒸発が開始されるに従い、ランプ電圧は急激に上昇し、最終的にはランプの定格電圧に達する。超高圧水銀ランプの定格電圧は、ランプの種類によって大きく異なる。例えば、8kWの超高圧水銀ランプの場合は80Vが定格電圧であるが、100Wの場合は20Vである。

点灯装置は、ランプ電圧が低い期間(ランプ点灯初期)、ランプ電流がランプ最大定格電流を越えないように、出力電流を一定に保つ。その後、ランプ電圧の上昇に伴い、ランプへの投入電力(ランプ両端電圧とランプ電流の積)が一定になるように制御する。用途にもよるが、一定電力の精度、安定度、電流リップルは、高いレベルで抑えられていることが要求される。

3.5.3 点灯装置

点灯装置の回路方式は、キセノンショートアークランプの場合と全く同じ理由で、スイッチング方式が採用されている。ランプ電圧・電流の変化が広い範囲であること、ランプの放電状態が変化することから、点灯装置の制御は、キセノンショートアークランプよりも超高圧水銀ランプのほうが複雑になる。

超高圧水銀ランプは、半導体製造装置などの生産設備に採用されていることが多い。生産設備では、生産性をあげるために、24時間365日で稼働されることもめずらしくない。このため点灯装置は、24時間365日の稼働率で、長期間耐えられる高い信頼性が要求される。

図3-21

3.6.4 技術動向

キセノンショートアークランプの点灯装置の項目で述べたものと同一であるので、ここでは割愛させていただく。図3-22に当社の超高圧水銀ランプと点灯装置をかかげる。

(林 宏樹)

図3-22

Copyright © USHIO INC. All Rights Reserved.